Texas Instruments Module CC/CC isolé pour automobile UCC15241-Q1
Le module CC/CC isolé pour l'automobile UCC15241-Q1 de Texas Instrumentsoffre une isolation élevée et est conçu pour alimenter les pilotes de grille IGBT ou SiC. L'UCC15241-Q1 combine un transformateur et un contrôleur CC/CC avec une architecture propriétaire pour permettre une haute efficacité avec de très faibles émissions. Les tensions de sortie de haute précision offrent une meilleure amélioration des canaux pour une plus grande efficacité du système sans surcharger la grille du dispositif de puissance.L'UCC15241-Q1 de TI fournit jusqu'à 2,5 W (standard) de puissance de sortie isolée à haute efficacité, nécessite un minimum de composants externes, et inclut une protection de composant sur puce avec des caractéristiques supplémentaires. Ces caractéristiques du composant UCC15241-Q1 comprennent le blocage de la sous-tension d'entrée, des comparateurs de bon fonctionnement de la tension de sortie, le blocage de la surtension, l'arrêt en cas de surchauffe, la temporisation de démarrage progressif, une tension de sortie positive et négative isolée réglable, une broche de bon fonctionnement de la sortie à drain ouvert et une broche d'activation.
Caractéristiques
- Module CC/CC isolé haute densité entièrement intégré avec transformateur d'isolement
- CC/CC isolé pour la commande de MOSFET Si, SiC et IGBT
- Plage de tension d'entrée de 21 V à 27 V avec 32 V comme maximum absolu
- 2,5 W de puissance de sortie à TA ≤ 85 °C et 2,0 W de puissance de sortie à TA ≤ 105 °C
- Tensions de sortie simples ou doubles réglables (à l'aide de résistances) avec < ±1,3="" %="" de="" précision="" de="" régulation="" sur="" toute="" la="" plage="" de="">
- Faibles émissions électromagnétiques grâce à la modulation à spectre étalé et à la conception intégrée du transformateur
- Activation, Power-Good, UVLO, OVLO, démarrage progressif, limitation de puissance, protection contre la sous-tension, la surtension, la surchauffe et les courts-circuits
- CMTI >150 kV/µs
- Homologué AEC-Q100 pour les applications automobiles
- Classe de température 1 de -40 °C ≤ TJ ≤ 150 °C
- Classe de température 1 de -40 °C ≤ TA ≤ 125 °C
- Documentation compatible avec la sécurité fonctionnelle disponible pour aider à la conception de systèmes de sécurité fonctionnels
- Certifications de sécurité planifiées
- Isolation de renforcement 7071 VPK selon DIN EN CEI 60747-17 (VDE 0884-17)
- 5 000 VRMS en isolation pendant 1 minute selon UL1577
- Boîtier SSOP large à 36 broches
Applications
- Systèmes hybrides, électriques et de transmission (EV/HEV)
- Contrôle d'onduleur et de moteur
- Chargeur embarqué (OBC) et sans fil
- Convertisseur CC-CC
- Transport industriel
- Entraînement électrique d'un véhicule hors route
- Infrastructure de réseau
- Module d'alimentation de station de chargement EV
- Station de charge CC (pile)
- Inverseur de chaîne
- Entraînements à moteur
- Convertisseurs CA et variateurs VF, servocommande de robot
Tableau de comparaison des composants
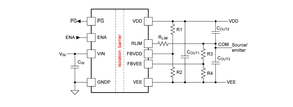
Application simplifiée
Séquence de mise sous tension standard
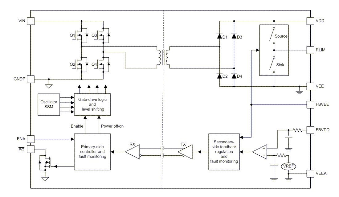
Schéma fonctionnel
Publié le: 2024-03-11
| Mis à jour le: 2025-03-06
