Texas Instruments Module CC/CC isolé pour automobile UCC14241-Q1
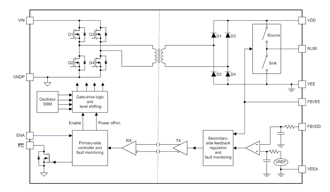
Le module CC/CC isolé pour automobile UCC14241-Q1 de Texas Instruments est conçu pour fournir de l'énergie aux pilotes de grilles IGBT ou SiC. L'UCC14241-Q1 combine un transformateur et un contrôleur CC/CC avec une architecture propriétaire pour obtenir une haute efficacité avec de très faibles émissions. Les tensions de sortie de haute précision fournissent une meilleure amélioration du canal pour une plus grande efficacité du système sans surcharger la grille du dispositif de puissance.Le UCC14241-Q1 de TI atteint jusqu'à 2 W (standard) de puissance de sortie isolée à haute efficacité. Le composant nécessite un minimum de composants externes et comprend une protection du dispositif sur la puce ainsi que des caractéristiques supplémentaires. Ces caractéristiques comprennent le verrouillage en cas de sous-tension d'entrée, le verrouillage en cas de surtension, l'arrêt en cas de surchauffe, des comparateurs de tension d'alimentation de sortie, une temporisation de démarrage progressif, une tension de sortie positive et négative isolée réglable, une broche d'alimentation de sortie à drain ouvert et une broche d'activation.
Caractéristiques
- Module CC/CC isolé haute densité entièrement intégré avec transformateur d'isolement
- CC/CC isolé pour piloter : MOSFET Si, SiC et IGBT
- Plage de tension d'entrée de 21 V à 27 V avec 32 V comme maximum absolu
- Puissance de sortie 2,0 W à TA ≤ 85 °C et 1,5 W à TA = 105 °C
- Tensions de sortie simples ou doubles réglables (à l'aide de résistances) avec < ±1,3="" %="" de="" précision="" de="" régulation="" sur="" toute="" la="" plage="" de="">
- Faibles émissions électromagnétiques grâce à la modulation à spectre étalé et à la conception intégrée du transformateur
- Activation, Power-Good, UVLO, OVLO, démarrage progressif, limitation de puissance, protection contre la sous-tension, la surtension, la surchauffe et les courts-circuits
- CMTI >150 kV/µs
- Homologué AEC-Q100 pour les applications automobiles
- Classe de température 1 de -40 °C ≤ TJ ≤ 150 °C
- Classe de température 1 de -40 °C ≤ TA ≤ 125 °C
- Documentation compatible avec la sécurité fonctionnelle disponible pour aider à la conception de systèmes de sécurité fonctionnels
- Certifications de sécurité planifiées
- Isolation de renforcement 7071 VPK selon DIN EN CEI 60747-17 (VDE 0884-17)
- IsolationRMS 5000 V pendant 1 minute selon la norme UL1577
- Isolation renforcée selon CQC GB4943.1
- Boîtier SSOP large à 36 broches
Applications
- Système hybride, électrique et de groupe motopropulseur (EV/HEV)
- Contrôle d'onduleur et de moteur
- Chargeur embarqué (OBC) et sans fil
- Convertisseur CC-CC
- Entraînements à moteur
- Convertisseurs CA et variateurs VF, servocommande de robot
- Infrastructure de réseau
- Module d'alimentation de station de chargement EV
- Station de charge CC (pile)
- Inverseur de chaîne
- Transport industriel
- Entraînement électrique d'un véhicule hors route
Tableau de comparaison des composants
Application simplifiée
Séquence de mise sous tension standard
Schéma fonctionnel
Publié le: 2024-03-11
| Mis à jour le: 2025-05-22
