Texas Instruments Module CC/CC isolé pour automobile UCC14340-Q1
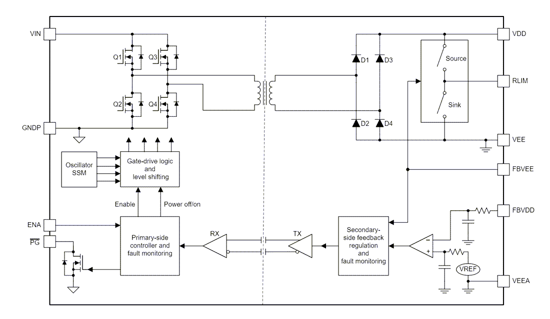
Le module CC/CC isolé pour automobile UCC14340-Q1 de Texas Instruments offre une isolation élevée et est conçu pour fournir de l'énergie aux pilotes de grille IGBT ou SiC. Le UCC14340-Q1 intègre un transformateur et un contrôleur CC/CC avec une architecture propriétaire pour obtenir une haute efficacité avec de très faibles émissions. Les tensions de sortie de haute précision permettent d'améliorer l'efficacité du système et de ne pas surcharger la grille du dispositif de puissance.Le module UCC14340-Q1 entièrement intégré de TI avec protection des dispositifs sur la puce nécessite un minimum de composants externes et comprend une protection des dispositifs sur la puce ainsi que des fonctions supplémentaires. Ces caractéristiques comprennent le blocage de la sous-tension d'entrée, des comparateurs de bon fonctionnement de la tension de sortie, le blocage de la surtension, l'arrêt en cas de surchauffe, la temporisation de démarrage progressif, une tension de sortie positive et négative isolée réglable, une broche de bon fonctionnement de la sortie à drain ouvert et une broche d'activation.
Caractéristiques
- Module CC/CC isolé haute densité avec transformateur intégré
- CC/CC isolé pour le pilotage avec des FET SiC, IGBT
- Plage de tension d'entrée de 13,5 V à 16,5 V avec 32 V comme maximum absolu
- Puissance de sortie de 1,5 W pour 13,5 V <>VIN < 16,5 v,="" à="">A ≤ 105 °C
- Tensions de sortie simples ou doubles réglables (à l'aide de résistances) avec < ±1,3="" %="" de="" précision="" de="" régulation="" sur="" toute="" la="" plage="" de="">
- Faibles émissions électromagnétiques grâce à la modulation à spectre étalé et à la conception intégrée du transformateur
- Activation, Power-Good, UVLO, OVLO, démarrage progressif, limitation de puissance, protection contre la sous-tension, la surtension, la surchauffe et les courts-circuits
- CMTI >150 kV/µs
- Homologué AEC-Q100 pour les applications automobiles
- Température de classe 1 de -40 °C ≤ TJ ≤ 150 °C
- Température de classe 1 de -40 °C ≤ TA ≤ 125 °C
- Documentation compatible avec la sécurité fonctionnelle disponible pour aider à la conception de systèmes de sécurité fonctionnels
- Certifications de sécurité planifiées
- 5657 VPK d'isolation de base selon DIN EN CEI
- 60747-17 (VDE 0884-17) - 3000 VRMS d'isolation pendant 1 minute selon UL 1 577
- Isolation de base selon CQC GB4943.1
- Boîtier SSOP large à 36 broches
Applications
- Systèmes hybrides, électriques et de transmission (véhicules électriques/véhicules électriques hybrides)
- Contrôle d'onduleur et de moteur
- Chargeur embarqué (OBC) et sans fil
- Convertisseur CC-CC
- Transport industriel
- Entraînement électrique d'un véhicule hors route
- Infrastructure de grille
- Module d'alimentation de station de chargement EV
- Station de charge CC (pile)
- Inverseur de chaîne
- Entraînements à moteur
- Convertisseurs CA et variateurs VF, servocommande de robot
Tableau de comparaison des composants
Application simplifiée
Séquence de mise sous tension standard
Schéma fonctionnel
Publié le: 2024-03-11
| Mis à jour le: 2025-03-06
