Texas Instruments Module CC/CC isolé pour l'automobile UCC15240-Q1
Le module CC/CC isolé pour l'automobile UCC15240-Q1 de Texas Instruments offre une isolation élevée et est conçu pour alimenter les pilotes de grille IGBT ou SiC. L'UCC15240-Q1 combine un transformateur et un contrôleur CC/CC avec une architecture propriétaire pour permettre une haute efficacité avec de très faibles émissions. Les tensions de sortie de haute précision offrent une meilleure amélioration du canal pour une plus grande efficacité du système sans surcharger la grille du dispositif de puissance.L'UCC15240-Q1 de TI fournit jusqu'à 2,5 W (standard) de puissance de sortie isolée à haute efficacité, nécessite un minimum de composants externes, et comprend une protection de dispositif sur puce avec des caractéristiques supplémentaires. Ces caractéristiques comprennent le blocage de la sous-tension d'entrée, des comparateurs de bon fonctionnement de la tension de sortie, le blocage de la surtension, l'arrêt en cas de surchauffe, la temporisation de démarrage progressif, une tension de sortie positive et négative isolée réglable, une broche de bon fonctionnement de la sortie à drain ouvert et une broche d'activation.
Caractéristiques
- Module CC/CC isolé haute densité entièrement intégré avec transformateur d'isolement
- CC/CC isolé pour la commande de MOSFET Si, SiC et IGBT
- Plage de tension d'entrée de 21 V à 27 V avec 32 V comme maximum absolu
- Puissance de sortie de 2,5 W à TA ≤ 85 °C et puissance de sortie de 2,0 W à TA ≤ 105 °C
- Tensions de sortie simples ou doubles réglables (à l'aide de résistances) avec < ±1,3="" %="" de="" précision="" de="" régulation="" sur="" toute="" la="" plage="" de="">
- Faibles émissions électromagnétiques grâce à la modulation à spectre étalé et à la conception intégrée du transformateur
- Activation, Power-Good, UVLO, OVLO, démarrage progressif, limitation de puissance, protection contre la sous-tension, la surtension, la surchauffe et les courts-circuits
- CMTI >150 kV/µs
- Homologué AEC-Q100 pour les applications automobiles
- Plage de température 1 de -40 °C ≤ TJ ≤ 150 °C
- Plage de température 1 de -40 °C ≤ TA ≤ 125 °C
- Documentation compatible avec la sécurité fonctionnelle disponible pour aider à la conception de systèmes de sécurité fonctionnels
- Certifications de sécurité planifiées
- 5657 VPK d'isolation de base selon DIN EN CEI
- 60747-17 (VDE 0884-17)
- Isolation de 3 000 VRMS pendant 1 minute selon UL 1577
- Isolation de base selon CQC GB4943.1
- Boîtier SSOP large à 36 broches
Applications
- Système hybride, électrique et de groupe motopropulseur (EV/HEV)
- Contrôle d'onduleur et de moteur
- Chargeur embarqué (OBC) et sans fil
- Convertisseur CC-CC
- Transport industriel
- Entraînement électrique d'un véhicule hors route
- Infrastructure de réseau
- Module d'alimentation de station de chargement EV
- Station de charge CC (pile)
- Inverseur de chaîne
- Entraînements à moteur
- Convertisseurs CA et variateurs VF, servocommande de robot
Tableau de comparaison des composants
Application simplifiée
Séquence de mise sous tension standard
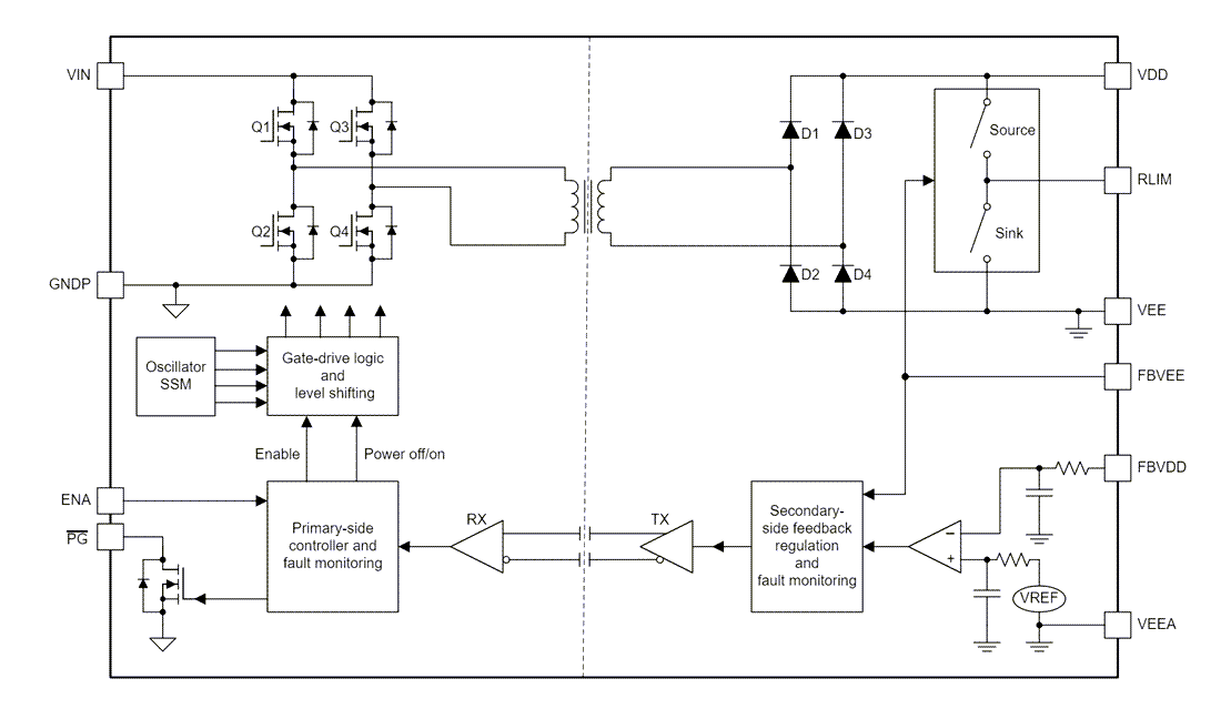
Schéma fonctionnel
Publié le: 2024-03-11
| Mis à jour le: 2025-03-06
