Texas Instruments Convertisseur Buck synchrone LMR60440
Le convertisseur Buck synchrone LMR60440 de Texas Instruments est un convertisseur hautement efficace de 3 V à 36 V, 4 A, à IQ ultra-faible, qui permet une densité de puissance élevée et une faible EMI. Celui-ci offre une plage de tensions de sortie de 1 V à 20 V, y compris un diviseur de résistance entre le nœud de tension de sortie, la rétroaction et la mise à la terre. Le convertisseur LMR60440 dispose d'une sortie « Power Good » pour le séquencement de l'alimentation et d'une broche MODE/SYNC pour sélectionner les modes d'exploitation. L'architecture de contrôle en mode courant avec un temps actif minimum de 30 ns permet des rapports de conversion élevés à des fréquences élevées, une compensation de boucle facile, une réponse transitoire rapide et une excellente régulation de ligne et de charge. Le LMR60440 propose des variantes avec un spectre étalé dans un boîtier QFN-9 HotRod ultra-compact de 2,5 mm x 2 mm. Les applications typiques incluent l'automatisation et le contrôle d'usine, les appareils et l'automatisation de bâtiment.Le convertisseur LMR60440 consomme un courant de repos de 5 µA pour garantir une haute efficacité à toutes les charges. Le mode de modulation de largeur d'impulsion forcée (FPWM) génère une fréquence de commutation constante sur la charge, tandis que le mode automatique permet des transitions fluides entre les commutations MLI et PFM. Les dispositifs LMR60440 ont des caractéristiques électriques spécifiées jusqu'à une température de jonction maximale de 150 °C.
Caractéristiques
- Compatible avec la sécurité fonctionnelle :
- Documentation disponible pour aider à la conception de systèmes de sécurité fonctionnels
- Large tension d'entrée de fonctionnement de 3 V à 36 V (42 V maximum absolu)
- Courant de repos ultra-faible :
- Courant d'arrêt de 0,65 μA
- Courant de veille à vide de 5 μA
- Options de tension de sortie programmables par broche disponibles en 3,3 V/ADJ et 5 V/ADJ fixes :
- Plage de tensions de sortie réglables de 1 V à 20 V
- Optimisé pour les exigences de faible brouillage électromagnétique (EMI) :
- Boîtier QFN HotRod™ à faible inductance
- Options de spectre étalé disponibles
- tON minimum faible standard de 30 ns
- Fréquence de commutation programmable de 200 kHz à 2,2 MHz
- FPWM, PFM ou synchronisation externe de fréquence disponible
- Conçu pour des alimentations électriques évolutives
- Broche compatible avec LMR60406, LMR60410, LMR60420 et LMR60430
- Sortie Power Good pour le séquencement d'alimentation
Applications
- Automatisation et contrôle d'usine
- Automatisation de bâtiment
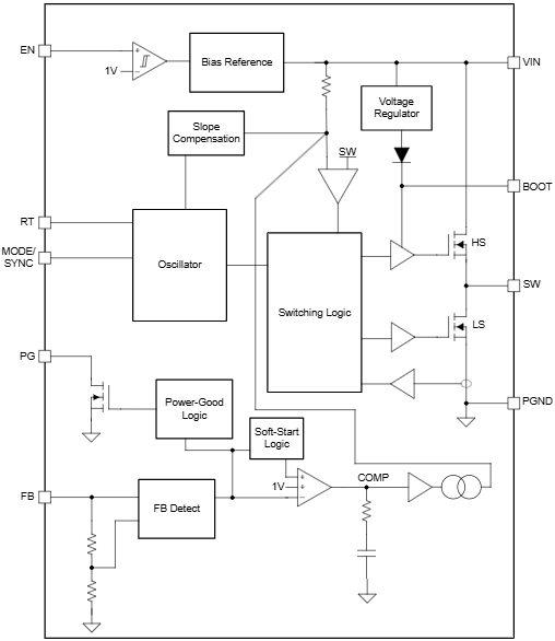
Schéma fonctionnel
Publié le: 2025-01-23
| Mis à jour le: 2025-10-09
