Texas Instruments Convertisseur Buck synchrone LMR60420/LMR60420-Q1
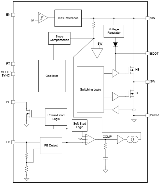
Le convertisseur Buck synchrone LMR60420/LMR60420-Q1 de Texas Instruments est un convertisseur haute puissance de 3 V à 36 V, à très faible IQ, qui permet une densité de puissance élevée et un faible EMI. Ce convertisseur offre une plage de tensions de sortie de 1 V à 20 V, y compris un diviseur de résistance entre le nœud de tension de sortie, la rétroaction et la terre. Le convertisseur LMR60420/LMR60420-Q1 dispose d’une sortie Power Good pour le séquençage de puissance et d’une broche MODE/SYNC pour sélectionner entre les modes d’exploitation. L’architecture de contrôle du mode courant avec un temps minimum de 30 ns permet des rapports de conversion élevés à des fréquences élevées, une compensation de boucle facile, une réponse transitoire rapide et une excellente régulation de ligne et de charge. Le LMR60420/LMR60420-Q1 propose des variantes avec un spectre étalé dans un boîtier ultra-compact QFN-9 HotRod de 2,5 mm x 2 mm. Les applications typiques incluent l’automatisation d’usine et le contrôle, les appareils et l’automatisation des bâtiments.Le convertisseur LMR60420/LMR60420-Q1 consomme un courant de repos de 5 µA pour garantir une haute efficacité à toutes les charges. Le mode de modulation de largeur d’impulsion forcée (FPWM) génère une fréquence de commutation constante sur la charge, tandis que le mode automatique permet des transitions transparentes entre la commutation MLI et PFM. Les dispositifs LMR60420/LMR60420-Q1 ont des caractéristiques électriques spécifiées jusqu’à une température de jonction maximale de 150 °C. Les dispositifs LMR60420-Q1 sont qualifiés AEC-Q100 pour les applications automobiles.
Caractéristiques
- Compatible avec la sécurité fonctionnelle
- Documentation disponible pour aider à la conception de systèmes de sécurité fonctionnels
- Large tension d’entrée de fonctionnement de 3 V à 36 V (valeur maximale absolue de 42 V)
- Options de tension de sortie programmables par broche disponibles en 3,3 V/ADJ et 5 V/ADJ fixes
- Plage de tensions de sortie réglables de 1 V à 20 V
- tON minimum faible standard de 30 ns
- Optimisé pour les exigences de faible brouillage électromagnétique (EMI)
- Boîtier QFN HotRod ™ à faible inductance
- Des options avancées à spectre étalé sont disponibles
- Plage de fréquence de commutation programmable de 200 kHz à 2,2 MHz
- La modulation de largeur d’impulsion forcée (FPWM), la modulation d’impulsion en fréquence (PFM) ou la synchronisation externe de la fréquence sont disponibles
- Courant de repos ultra-faible
- Courant de mise hors tension de 0,65 μA
- Courant de veille de 5 μA
- Sortie Power Good pour le séquençage de puissance
Applications
- Automatisation d’usine et contrôle
- Automatisation du bâtiment
Fiches techniques
Schéma simplifié – Sortie fixe
Schéma fonctionnel
Publié le: 2025-01-23
| Mis à jour le: 2025-09-03
