Renesas Electronics Double contrôleur Boost synchrone ISL81805 80 V
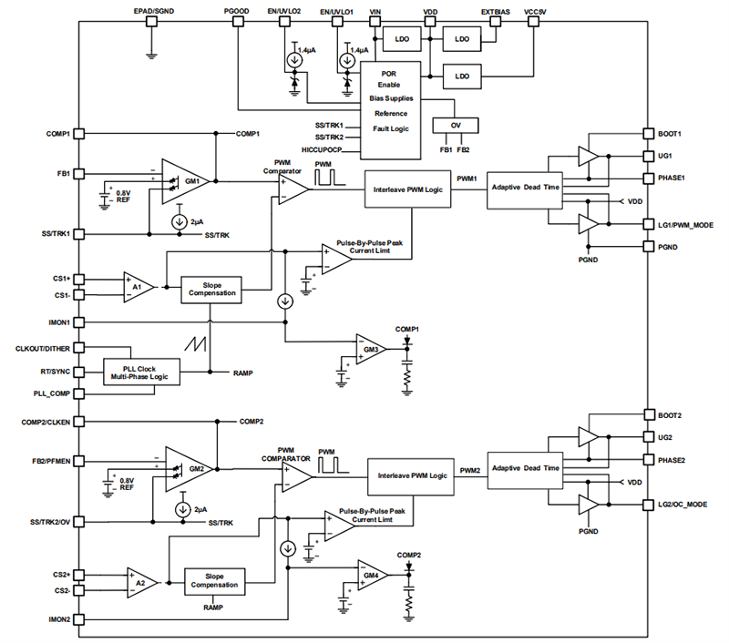
Le double contrôleur Boost synchrone ISL81805 80 V de Renesas Electronics crée deux sorties indépendantes ou une sortie à deux phases entrelacées pour diverses applications industrielles et générales. Une large plage de tension d’entrée/sortie rend le contrôleur adapté aux télécommunications, aux centres de données et aux applications informatiques. Logé dans un TQFN à 32 fils peu encombrant de 5 mm x 5 mm, le contrôleur dispose de fonctions programmables de démarrage progressif et d’activation de seuil précis avec un indicateur de bonne alimentation pour simplifier le séquençage du rail d’alimentation. Pour assurer une haute fiabilité, le composant fournit également des fonctionnalités de protection complètes telles qu'OVP, UVP, OTP et des limites de courant moyen et de crête sur les deux sorties.L'ISL81805 de Renesas utilise un contrôle du mode courant de crête avec entrelacement de phase pour les deux sorties. Chaque sortie dispose d’un moniteur de courant, d’un régulateur de tension et d’un régulateur de courant moyen pour fournir un contrôle indépendant de la tension et du courant moyen. L’oscillateur à boucle à verrouillage de phase interne (PLL) garantit un réglage précis de la fréquence de 100 kHz à 1 MHz, et l’oscillateur peut être synchronisé avec un signal d’horloge externe pour la synchronisation de fréquence et les applications de mise en parallèle d’entrelacement de phase. Ce circuit PLL peut produire un signal d’horloge programmable par décalage de phase qui est étendu à trois, quatre et six phases avec le décalage de phase d’entrelacement requis.
Caractéristiques
- Large plage de tension d’entrée de 4,5 V à 80 V
- Large plage de tension de sortie 5 V à 80 V
- 4 pilotes MOSFET avec protection adaptative contre les courants traversants
- Contrôle de boucle de rétroaction de courant et de tension de sortie constante
- Amélioration du rendement à faible charge, émulation de diode à faible ondulation et fonctionnement en mode rafale
- Démarrage progressif programmable
- Prend en charge le démarrage dans les rails pré-polarisés
- Plage de fréquence programmable de 100 kHz à 1 MHz
- Synchronisation d'horloge externe
- Prend en charge le partage de courant avec entrelacement de phase en cascade
- Horloge avec un angle de phase précis contrôlé par PLL ou variation de fréquence
- Indicateur PGOOD
- Moniteur de courant d’entrée
- Mode sélectionnable parmi MLI/DE/rafale
- Seuil EN/UVLO précis de ±2 %
- Faible courant d’arrêt de 5 µA
- OCP (mode par impulsion et mode courant constant ou hoquet en option), OVP, OTP et UVP
Applications
- Télécommunications
- Serveurs et centres de données
- Électronique automobile
- Équipements industriels
- Systèmes électriques
Application standard
Schéma fonctionnel
