Texas Instruments Convertisseur Buck synchrone LMR36500
Le convertisseur abaisseur (buck) synchrone LMR36500 de Texas Instruments est un convertisseur CC/CC abaisseur ultra-compact, à large plage de tensions d'entrée de 3 à 65 V, dans un boîtier HotRod de 4 mm2. Ce convertisseur offre d'excellentes performances EMI, gère les transitoires de tension d'entrée jusqu'à 70 V et prend en charge les tensions de sortie fixes de 3,3 V et 5 V réglables. Le convertisseur LMR36500 est conçu pour fonctionner sur une large plage de rapports cycliques et une plage de fréquences de commutation de 200 kHz à 2,2 MHz. Ce convertisseur abaisseur synchrone est doté d'un EN/UVLO qui permet un contrôle précis de l'appareil pendant le démarrage et l'arrêt. L'indicateur PGOOD est doté d'un filtre anti-parasite intégré et d' déclenchement retardé qui indique avec précision l'état du système, éliminant ainsi le besoin d'un superviseur de tension externe. Les applications typiques incluent les transmetteurs de terrain et les capteurs de processus, les notifications et détecteurs de CVC et de sécurité incendie, les outils de jardinage et électriques et les appareils électroniques portables.Caractéristiques
- Conçu pour les applications industrielles robustes :
- Plage de température de jonction de -40 °C à +150 °C
- Capacité transitoire d'entrée pouvant atteindre 70 V
- Large plage de tension d'entrée de 3 V (seuil minimal) à 65 V
- Sonnerie de nœud de commutation minimisée pour réduire les EMI
- Options de tension de sortie ajustables et fixes de 3,3 V et 5 V disponibles
- Conçu pour les alimentations industrielles évolutives :
- Brochage compatible avec LMR36503 (65 V, 300 mA) et LMR36506 (65 V, 600 mA)
- Fréquence de commutation réglable de 200 kHz à 2,2 MHz avec variante de broche RT,
- Rendement élevé sur toute la plage de charge avec une faible dissipation de puissance :
- Rendement de pointe supérieur à 80 % à 1 MHz (VOUT = 3,3 V)
- BoîtierHotRod™ ultra petit de 2 mm x 2 mm
Applications
- Automatisation d'usine :
- Émetteurs de terrain et capteurs de processus
- Automatisation des bâtiments :
- Notification et détecteurs CVC et sécurité incendie
- Appareils électroménagers :
- Outils électriques et outil de jardin
- Electronique portable :
- Casques et écouteurs
Efficacité par rapport au courant de sortie
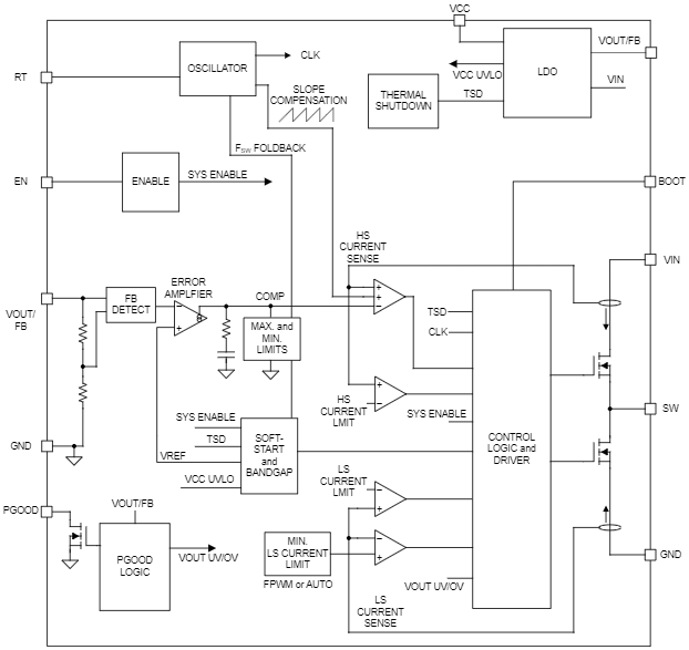
Schéma fonctionnel
Publié le: 2024-01-10
| Mis à jour le: 2025-03-05
