Texas Instruments Convertisseur Buck synchrone LMR3650x
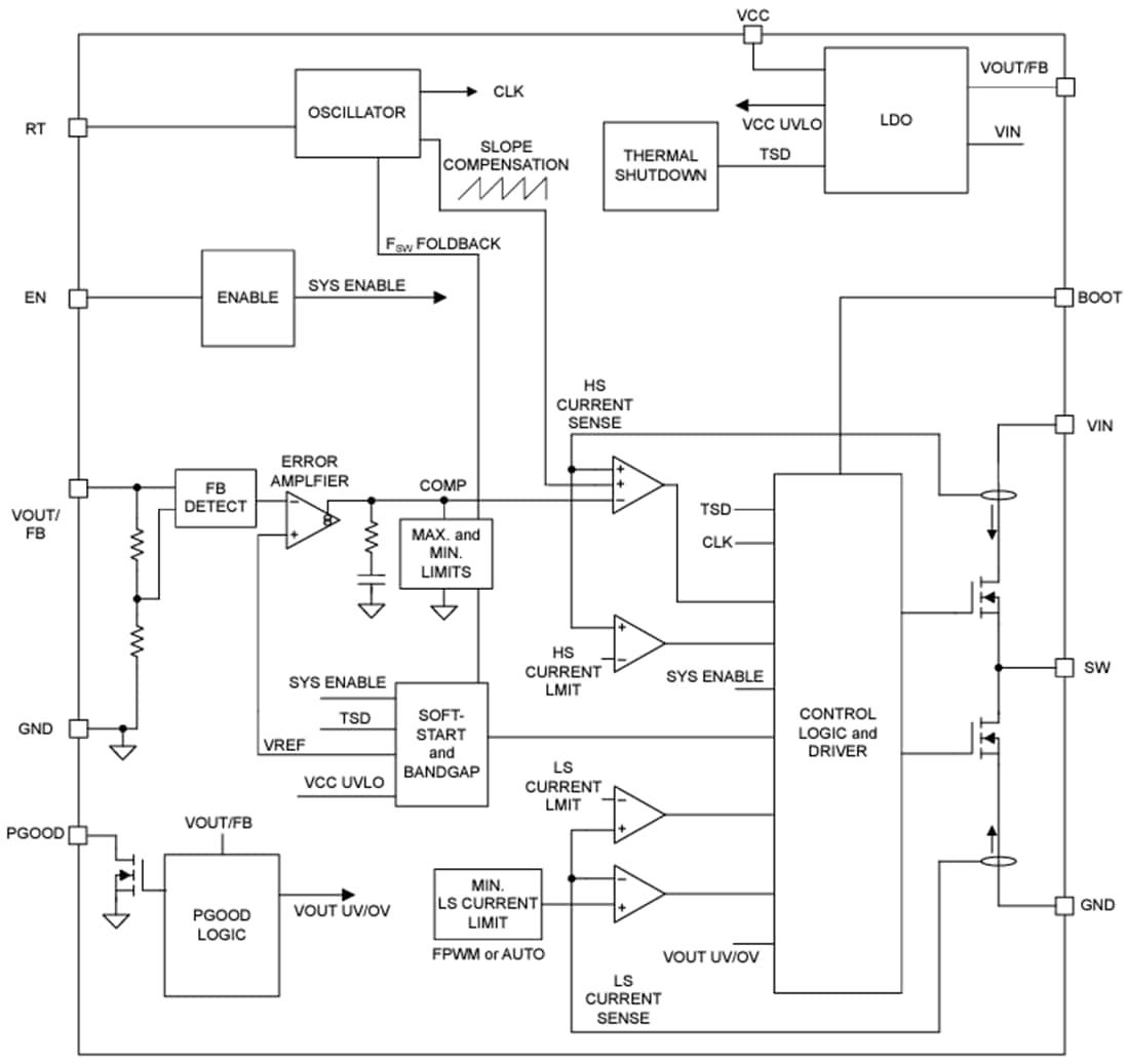
Le convertisseur synchrone abaisseur (buck) Texas Instruments LMR3650x est un convertisseur CC/CC synchrone abaisseur de 65 V, 150 mA (disponible en variante de 100 mA) en boîtier compact HotRod™ de 4 mm2. Ce convertisseur facile à utiliser offre d'excellentes performances EMI, peut gérer les états transitoires de tension d'entrée pouvant atteindre 70 V, fournit d'excellentes performances EMI et prend en charge les tensions de sortie fixes de 3,3 V et 5 V et d'autres tensions de sortie réglables.Le LMR3650x de Texas Instruments utilise l'architecture de contrôle du mode courant de crête avec une compensation interne pour maintenir un fonctionnement stable avec une capacité de sortie minimale. Le LMR3650x, avec la sélection de résistance correcte de la broche RT à la terre, peut être programmé de manière externe à n'importe quelle fréquence de commutation de fonctionnement souhaitée sur une large plage de 200 kHz à 2,2 MHz. La fonction EN/UVLO de précision permet un contrôle précis du composant pendant la mise hors tension et le démarrage. L'indicateur PGOOD, avec un filtre de perturbation intégré et une libération retardée, offre une véritable indication de l'état du système, éliminant l'exigence d'un superviseur de tension externe. Le riche ensemble de caractéristiques et la taille compacte de solution du LMR3650x simplifient la mise en œuvre pour diverses applications industrielles.
Caractéristiques
- Conçu pour les applications industrielles robustes
- Plage de température de jonction de –40 °C à +150 °C
- Protection transitoire d'entrée jusqu'à 70 V
- Large plage de tension d'entrée de 3,0 V (seuil de chute) à 65 V
- Sonnerie de nœud de commutation minimisée pour réduire les EMI
- Options de tension de sortie ajustables et fixes de 3,3 V et 5 V disponibles
- Adapté aux alimentations industrielles évolutives
- Brochage compatible avec LMR36503 (65 V, 300 mA) et LMR36506 (65 V, 600 mA)
- Une fréquence de commutation réglable de 200 kHz à 2,2 MHz avec une variante de broche RT
- Taille et coût de la solution minimisés
- Densité de puissance la plus élevée avec compensation interne et nombre réduit de composants externes
- Boîtier HotRod™ ultra-compact de 2 mm × 2 mm
- Rendement élevé sur l'ensemble de la plage de charge avec une faible dissipation d'énergie
- Rendement de pointe supérieur à 80 % à 1 MHz (VOUT = 3,3 V)
Applications
- Automatisation d'usine
- Transmetteurs de terrain
- Capteurs de traitement
- Électroménager
- Outils de jardin
- Outils électriques
- Immotique
- CVC
- Notification de sécurité incendie
- Détecteurs d'incendie
Schéma fonctionnel
