Renesas Electronics Cartes d'évaluation ISL81801
Les cartes d'évaluation ISL81801 de Renesas Electronics sont conçues pour évaluer les contrôleurs buck-boost synchrones 80 V ISL81801. Ces cartes comprennent un fonctionnement bidirectionnel, un haut rendement à faible charge en fonctionnement DEM à saut d'impulsion et un démarrage progressif programmable. Les cartes d'évaluation ISL81801 fournissent une protection OCP CC/HICCUP optionnelle, OVP, OTP et UVP. La taille de l'inducteur est optimisée de 100 kHz à 600 kHz sur la plage de fréquence de commutation programmable et le solide système d'entraînement de grille fournit jusqu'à 20 A de courant pour la sortie buck-boost. Ces cartes d'évaluation sont conçues pour les applications à courant élevé.Carte d'évaluation ISL81801EVAL1Z
La carte d'évaluation ISL81801EVAL1Z fonctionne sur une plage de tensions d'entrée comprises entre 9 V et 80 V et fournit une fréquence de commutation de 200 kHz, une tension de sortie de 12 V et un courant de sortie de 10 A. Cette carte d'évaluation dispose d'un point de consigne de protection contre les surintensités (OCP) d'un minimum de 11 A à température ambiante.
Carte d'évaluation ISL81801EVAL2Z
La carte d'évaluation ISL81801EVAL2Z fonctionne sur une plage de tensions d'entrée comprises entre 32 V et 80 V et fournit une tension de sortie de 48 V et un courant de sortie de 5 A. Cette carte d'évaluation dispose d'un point de consigne de protection contre les surintensités (OCP) d'un minimum de 5,5 A à température ambiante.
Caractéristiques
- Indicateur PGOOD
- Protection contre les surtensions (OVP)
- Mémoire OTP (One time programmable)
- Protection contre les sous-tensions (UVP)
- Protection OCP CC/HICCUP optionnelle
- Plage de fréquences de commutation programmable de 100kHz à 600kHz
Caractéristiques techniques
- Carte d'évaluation ISL81801EVAL1Z:
- Plage de tensions d'entrée comprises entre 9 V et 80 V
- Fréquence de commutation : 200 kHz
- Tension de sortie 12V
- Courant de sortie 10A
- Point de consigne 11A OCP à température ambiante de la pièce
- Carte d'évaluation ISL81801EVAL2Z:
- Plage de tensions d'entrée comprises entre 32 V et 80 V
- Fréquence de commutation : 200 kHz
- Tension de sortie 48V
- Courant de sortie 5A
- Point de consigne 5,5 A OCP à température ambiante de la pièce
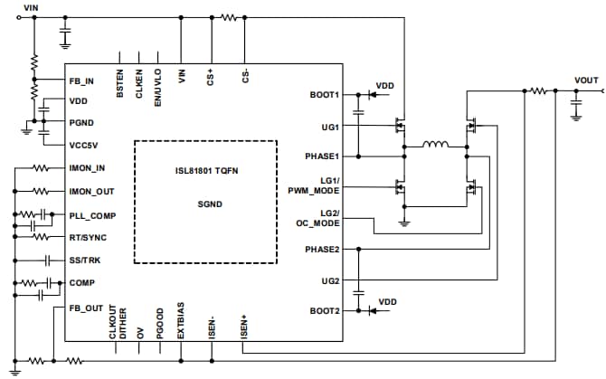
Schéma fonctionnel
View Results ( 2 ) Page
| Numéro de pièce | Fiche technique | Tension d'entrée | Tension de sortie | Courant de sortie |
|---|---|---|---|---|
| ISL81801EVAL1Z | ![]() |
9 V to 80 V | 12 V | 10 A |
| ISL81801EVAL2Z | ![]() |
32 V to 80 V | 48 V | 5 A |
Publié le: 2020-12-16
| Mis à jour le: 2022-03-11

