Renesas Electronics Contrôleurs Buck-Boost 80 V ISL81801
Les contrôleurs Buck-Boost ISL81801 80 V de Renesas Electronics sont de véritables contrôleurs bidirectionnels à quatre commutateurs qui fournissent une détection et une surveillance du courant de crête et courant moyen aux deux extrémités. Ces contrôleurs disposent d’un algorithme de contrôle Buck-Boost propriétaire, d’une modulation de courant de creux pour le mode Boost et d’une modulation de courant de crête pour le contrôle du mode Buck. Les contrôleurs ISL81801 prennent en charge le partage du courant DE fonctionnement en parallèle avec entrelacement de phase en cascade et fournissent un fonctionnement en mode MLI offrant en option les modes MLI/DE/rafale. Ces contrôleurs fonctionnent dans une plage de tension d’entrée de 4,5 V à 80 V, une large plage de tension de sortie de 0,8 V à 80 V et une plage de fréquence programmable de 100 kHz à 600 kHz. Les contrôleurs ISL81801 sont disponibles en boîtiers TQFN et HTSSOP utilisant un EPAD pour améliorer les performances thermiques et l’immunité au bruit. Ces contrôleurs sont utilisés dans les batteries de secours, les alimentations redondantes, les équipements médicaux, la surveillance de sécurité, l’automobile du marché secondaire, les énergies renouvelables et les applications industrielles alimentées par batterie.Caractéristiques
- Contrôleur buck-boost à 4 commutateurs avec inducteur unique
- Fonctionnement bidirectionnel à la volée avec contrôle indépendant de la tension et du courant aux deux extrémités
- Algorithme propriétaire pour une transition de mode fluide
- Pilotes MOSFET avec protection adaptative contre les courants traversants
- Prend en charge le partage du courant de fonctionnement en parallèle avec entrelacement de phase en cascade
- Synchronisation externe avec sortie d'horloge ou atténuation de fréquence
- Moniteur de courant d'entrée et de sortie
- Indicateur EN/UVLO et PGOOD précis
- Prend en charge le démarrage dans les rails pré-polarisés
- Polarisation externe pour un rendement plus élevé pour une entrée de 8 V à 36 V
- Fonctionnement en mode MLI sélectionnable parmi les modes MLI/DE/rafale
- Plage de fréquence programmable de 100 kHz à 600 kHz
- Plage de tension d’entrée de 4,5 V à 80 V
- Plage de tensions de sortie comprises entre 0,8 V et 80 V
- Faible courant d'arrêt 2,7 µA
Applications
- Batterie de secours
- systèmes UPS/de stockage
- Applications industrielles alimentées par batterie
- Énergie renouvelable
- Secteur de l'après-vente automobile
- Alimentations redondantes
- Robots et drones
- Équipements médicaux
- Automatisation industrielle et des bâtiments
- Surveillance de la sécurité
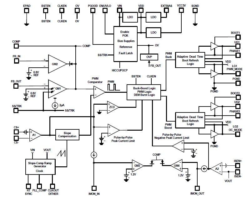
Schéma fonctionnel
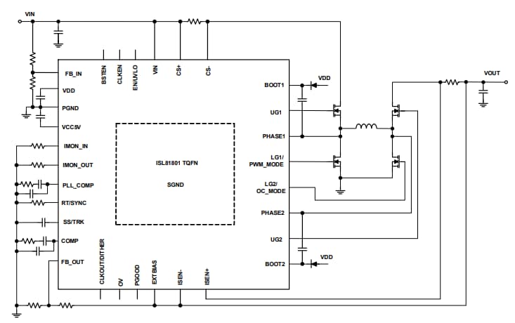
Schéma d'application standard
Publié le: 2020-12-15
| Mis à jour le: 2023-12-11
