Renesas Electronics Doubles contrôleurs Buck synchrones ISL81802
Les doubles contrôleurs Buck synchrones ISL81802 de Renesas Electronics sont conçus pour créer deux sorties indépendantes ou une sortie à deux phases entrelacées. Ces contrôleurs disposent d’un contrôle du mode courant de crête avec entrelacement de phase pour les deux sorties. Les contrôleurs ISL81802 disposent également de fonctions de démarrage progressif programmables et d’activation de seuil précise avec un indicateur de bonne alimentation qui simplifie le séquençage du rail d’alimentation. Ces contrôleurs fonctionnent sur une plage de tension d’entrée de 4,5 V à 80 V, une plage de fréquence programmable de 100 kHz à 1 MHz et un faible courant d’arrêt de 5µA. Les contrôleurs ISL81802 fournissent une protection contre les surtensions (OVP), une protection contre les sous-tensions (UVP), une mémoire programmable unique (OTP) et des limites de courants moyen et de crête aux deux sorties pour une haute fiabilité. Ces contrôleurs sont utilisés dans les télécommunications, les centres de données, l’électronique automobile, les équipements industriels et les systèmes d’alimentation.Caractéristiques
- 4 pilotes MOSFET avec protection adaptative contre les courants traversants
- Amélioration du rendement à faible charge, émulation de diode à faible ondulation et fonctionnement en mode rafale
- Démarrage progressif programmable
- Prend en charge le démarrage dans les rails pré-polarisés
- Synchronisation d'horloge externe
- Horloge avec angle de phase précis contrôlé par PLL ou variation de fréquence
- Moniteur de courant de sortie
- Contrôle de boucle de rétroaction de courant et de tension de sortie constants
- Prend en charge le partage de courant avec entrelacement de phase en cascade
- Indicateur PGOOD
- Mode sélectionnable parmi PWM/DE/rafale
- Plage de tension d’entrée de 4,5 V à 80 V
- Plage de tensions de sortie comprises entre 0,8 V et 76 V
- Courant d'arrêt faible de 5 µA
- Plage de fréquences programmables comprises entre 100 kHz et 1 MHz
- Seuil EN/UVLO précis de ±2 %
Applications
- Télécommunications
- Serveurs et centres de données
- Électronique automobile
- Équipements industriels
- Systèmes électriques
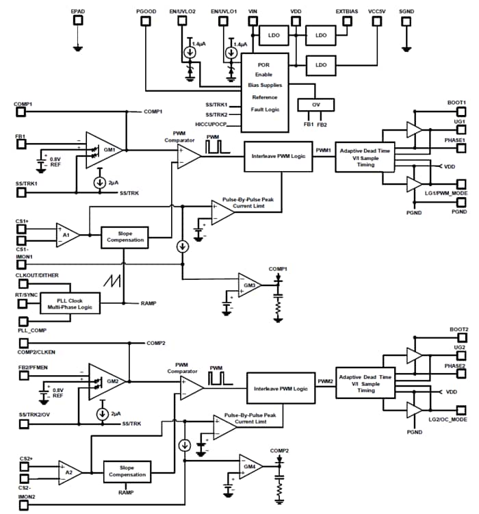
Schéma fonctionnel
Schéma d'application standard
Publié le: 2020-12-17
| Mis à jour le: 2023-12-11
