Microchip Technology Pilotes de transformateur push-pull MCP14T0517
Les pilotes de transformateurs push-pull MCP14T0517 de Microchip Technology sont conçus pour des alimentations électriques compactes et isolées fonctionnant à partir d'une entrée de 3 VCC vers 5,5 VCC. Les pilotes MCP14T0517 de Microchip intègrent deux MOSFET de puissance et sont capables d'actionner des transformateurs push-pull à prise centrale directement à partir de l'alimentation. Les dispositifs comportent un oscillateur interne suivi d'un étage de commande de grille qui fournit des sorties complémentaires pour les commutateurs actifs à N voies référencés par rapport à la masse. Chaque commutateur comprend une vitesse de balayage de la tension contrôlée, et l’oscillateur utilise une variation de fréquence pour aider à réduire les EMI. Une source d’horloge externe peut également être utilisée lorsque le placement harmonique précis ou la synchronisation avec plusieurs pilotes de transformateur est nécessaire.Les capacités de protection intégrées incluent une limite du courant de crête standard de 2,5 A, un verrouillage de la sous-tension (UVLO), un arrêt thermique et un contrôle du temps mort pour les dispositifs de commutation. Une fonction de démarrage progressif est incluse pour limiter le courant d'appel lors du démarrage, en particulier lorsqu'il y a de grands condensateurs de sortie. Deux options de fréquence de commutation sont disponibles : le MCP14T0517A fonctionne à 150 kHz pour réduire les EMI, et le MCP14T0517B fonctionne à 450 kHz pour les conceptions nécessitant des transformateurs plus petits. Les pilotes MCP14T0517 sont proposés dans un boîtier compact SOT‑23 à 6 broches et sont spécifiés pour une exploitation sur une plage de température de -40 °C à +125 °C.
Caractéristiques
- Commutateurs d'alimentation intégrés pour la topologie push-pull
- Plage de tension d'alimentation d'entrée opérationnelle de 3,0 V à 5,5 V
- Capacité de courant de glissement de crête de 1,7 A
- Options de fréquence de commutation de 150 kHz ou 450 kHz
- Protections contre surtempérature et surintensité
- Entrée d'horloge externe pour la synchronisation de plusieurs dispositifs
- Protection de verrouillage de sous-tension (UVLO)
- Fonction d'activation
- Fonction de démarrage progressif interne
- Courant de mise hors tension faible <1 µa>1 µa>
- Plage de température de fonctionnement de jonction de -40 °C à +125 °C
- Boîtier 6-lead SOT23-6
- Homologation automobile AEC-Q100
- Conforme RoHS
Applications
- Alimentations électriques isolées pour MOSFET SiC/Si et IGBTs
- Générateurs de polarisation pour interfaces de communication isolées (CAN, LIN, USB, etc.)
- Générateurs de polarisation pour circuiterie de détection isolée
Caractéristiques techniques
- Tension d'alimentation maximale absolue de +6 V
- Tension maximale absolue des broches D1 et D2 de +15 V
- Courant de commutateur maximum absolu de 3,5 APEAK
- Puissance dissipable admissible absolue de 0,5 W
- Plage de tension d'alimentation VDD de fonctionnement de 3 V à 5,5 V
- Courant du commutateur de sortie de fonctionnement de 1,5 A
- Entrées
- Plage de tension de polarisation de 3 V à 5,5 V
- Courants de polarisation
- 7 mA maximum pour le MCP14T0517A, 4,5 mA standard
- 9 mA maximum pour le MCP14T0517B, 7 mA standard
- 1 µA maximum de courant de veille
- Seuil UVLO
- 2,95 V maximum positif
- 2,65 V minimum négatif
- Plage d’hystérésis de seuil UVLO de 75 mV à 125 mV
- Niveau logique de la broche EN, SYNC
- 0,7 V pour « haut »
- 0,3 V pour « bas »
- Courant de fuite
- 15 µA maximum sur la broche EN
- 1 µA maximum sur la broche SYNC
- 1 µA maximum sur les broches D1 et D2
- Commutateurs d'alimentation intégrés
- Résistance de commutation à l'état passant à 0,5 A
- 200 mΩ maximum à 5 V
- 350 mΩ maximum à 3 V
- Vitesse de balayage de tension standard de 60 V/µs sur D1 et D2
- Temps mort standard de 50 ns
- Résistance de commutation à l'état passant à 0,5 A
- Oscillateur
- Plages de fréquence de commutation
- De 140 kHz à 160 kHz pour le MCP14T0517A
- De 420 kHz à 480 kHz pour le MCP14T0517B
- Signal de synchronisation externe sur la broche SYNC
- Gamme de fréquences de 60 kHz à 1 200 kHz
- Plage de rapport cyclique de 10 % à 90 %
- Plages de fréquence de commutation
- Arrêt thermique
- Température standard de +170 °C
- Hystérésis standard de +20 °C
- Résistance thermique de +190,5 °C par EIA/JESD51-3 standard
- Valeurs DES
- Modèle de corps humain (HBM) de ±5 000 V selon ANSI/ESDA/JEDEC JS-001, toutes les broches
- Modèle d’appareil chargé (CDM) de ±2 000 V selon la caractéristique technique JESD22-C101 de JEDEC, toutes les broches
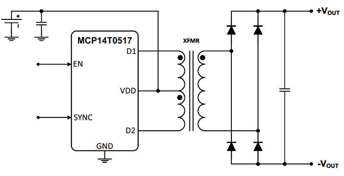
Circuit d'application standard
Schéma fonctionnel
