Microchip Technology Conception de référence EV32R56A

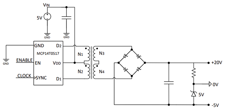
La conception de référence EV32R56A de Microchip Technology est un générateur de polarisation isolé pour les commandes de grilles au carbure de silicium (SiC) basé sur le pilote de transformateur push-pull MCP14T0517B. Le pilote fonctionne avec une tension d'entrée de 5 V. La carte fournit une tension de polarisation galvaniquement isolée et régulée de +20 V par rapport à 0 V et -5 V par rapport à 0 V jusqu'à 100 mA de courant. La carte Microchip est dotée d'une broche d'ACTIVATION configurable pour le contrôle et la synchronisation externes. Les pilotes MCP14T0517A/B sont conçus pour les applications d'alimentation électrique isolées à petit facteur de forme avec une fréquence de commutation de 150 kHz pour le MCP14T0517A et 450 kHz pour le MCP14T0517B. Le MCP14T0517A/B permet la synchronisation avec plusieurs dispositifs et l’exploitation à des fréquences plus élevées en appliquant une horloge externe pouvant atteindre 1 000 kHz.

Caractéristiques

  • Basée sur le pilote de transformateur push-pull MCP14T0517B
  • Tension d'entrée de 5 V (VIN)
  • Tensions de sortie
    • +20 V par rapport à 0 V
    • -5 V par rapport à 0 V
  • Courant de sortie jusqu'à 100 mA (pour la tension de sortie de +25 V par rapport à -5 V)
  • Fréquence de commutation 450 kHz
  • Protections contre la surchauffe et la surintensité
  • Conforme RoHS

Applications

  • Alimentations électriques isolées pour MOSFET SiC/Si et IGBTs
  • Générateurs de polarisation pour interfaces de communication isolées (CAN, LIN, USB, etc.)
  • Générateurs de polarisation pour circuiterie de détection isolée

Contenu du kit

  • Générateur de polarisation isolé pour PCB de conception de référence pour commandes de grilles SiC (EV32R56A)
  • Deux connecteurs d’embase 3 broches de 2,54 mm pour les signaux d’entrée et de sortie
  • Fiche d'information importante

Schéma fonctionnel

Schéma de principe - Microchip Technology Conception de référence EV32R56A

Présentation générale

Plan mécanique - Microchip Technology Conception de référence EV32R56A
Publié le: 2026-01-20 | Mis à jour le: 2026-02-02