Texas Instruments Module d'évaluation UCC28750EVM
Le module d'évaluation UCC28750EVM de Texas Instruments est conçu pour évaluer un convertisseur Flyback CA vers CC hors ligne. Ce module d'évaluation utilise le contrôleur Flyback à tension constante UCC287502 en utilisant une rétroaction optocouplée dans un convertisseur 60 W pour fournir 2,5 A de courant de charge constant. Le module d'évaluation UCC28750EVM présente une plage de tension d'entrée de 85 VRMS à 265 VRMS et la convertit en 24 VCC, capable de fournir 60 W de puissance de sortie. Le UCC28750EVM-071 est destiné à des fins d'évaluation et n'est pas destiné à être un produit final. Ce module est utilisé dans les alimentations CA/CC hors ligne isolées, les chargeurs de batterie, les CA/CC industriels pour les infrastructures de réseau, les téléviseurs, les imprimantes, les compteurs d'électricité, les appareils électroménagers et les micro-onduleurs.Caractéristiques
- Conçu pour évaluer le contrôleur Flyback en mode actuel UCC28750
- 24 VCC ±5 % régulés
- Capable de fournir une sortie de 60 W
- Large plage de tension d'entrée de 85 VRMS à 265 VRMS
- Efficacité de charge maximale > 90 %
Applications
- Alimentations CA/CC hors ligne isolées
- CA/CC industriel pour l'infrastructure de réseau et les appareils électroménagers
- Audio, imprimantes, téléviseurs et décodeurs CA/CC hors ligne
- Alimentation sur rail DIN marchand et bloc d'alimentation pour serveur
- Chargeurs de batteries
- Compteurs électriques
- Onduleurs string et micro-onduleurs
- Petits appareils électroménagers et unités intérieures/extérieures CA
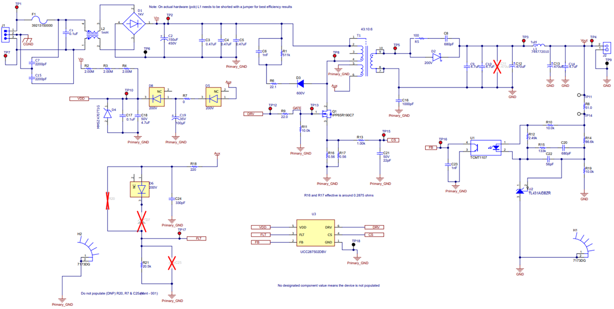
Schéma de configuration du test
Schéma
Publié le: 2024-01-12
| Mis à jour le: 2024-02-15
