Texas Instruments Pilotes LED côté haut 3 canaux TPS92633/TPS92633-Q1
Les pilotes LED côté haut automobile 3 canaux TPS92633/TPS92633-Q1 de Texas Instruments comprennent une conception de gestion thermique unique pour réduire la montée de température sur le dispositif. Le TPS92633-Q1 est un pilote linéaire alimenté directement par les batteries automobiles, avec des variations de tension importantes pour des charges de sortie à courant plein jusqu'à 150 mA par canal. Les résistances shunt externes sont exploitées pour partager le courant de sortie et dissiper la puissance hors du pilote. Le TPS92633-Q1 pilote également des unités LED et des résistances de mise en bac de luminosité hors carte pour simplifier le processus de fabrication et réduire le coût de l'ensemble du système. Ses capacités de diagnostic complet comprennent la détection de court-circuit LED ouverte, de court-circuit LED vers GND et de court-circuit LED unique.La caractéristique de défaillance (la défaillance d'un seul canal entraîne la défaillance globale) du TPS92633-Q1 de Texas Instruments peut fonctionner avec d'autres pilotes de LED, tels que les TPS9261x-Q1, TPS92630/8-Q1 et TPS92830-Q1, pour répondre à différentes exigences.
Caractéristiques
- Homologué AEC-Q100 pour les applications automobiles (TPS92633-Q1)
- –40 °C à 125 °C, température TA classe 1 (TPS92633-Q1)
- Large plage de tension d'entrée de 4,5 V à 40 V
- Partage thermique par une résistance shunt externe
- Faible courant d'alimentation en mode défaut
- Trois régulations de courant de haute précision
- Sortie de courant jusqu'à 150 mA pour chaque canal
- Précision de ±5 % sur l'ensemble de la plage de température
- Réglage de courant indépendant par résistance
- Broche PWM indépendante pour le contrôle de la luminosité
- Prend en charge la résistance de mise en bac de luminosité hors carte
- Prend en charge le NTC externe pour le déclassement de courant
- Faible chute de tension
- 600 mV à une chute maximale de 150 mA
- Diagnostics et protection
- LED à circuit ouvert avec récupération automatique
- LED à court-circuit vers GND avec récupération automatique
- Détection de court-circuit à une seule LED avec récupération automatique
- L'activation de Diagnostic est fournie avec un seuil réglable
- Bus de défaillance configurable comme un seul canal défaillant entraîne une défaillance globale ou désactivation du seul canal défaillant (N-1)
- Arrêt thermique
- Plage de température de jonction de fonctionnement de -40 °C à +150 °C
Applications
- Éclairage arrière extérieur automobile (feu arrière, feu stop central en hauteur, marqueur latéral)
- Petit éclairage extérieur automobile (poignée de porte, indicateur de détection de point mort, entrée de charge)
- Éclairage intérieur automobile (plafonnier, lampe de lecture)
- Applications de pilote de LED à usage général
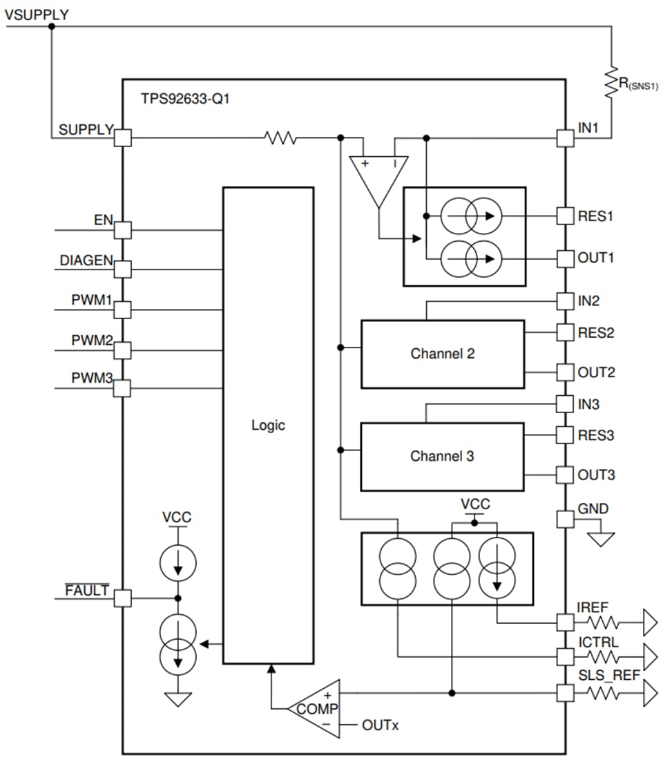
Schéma de principe fonctionnel
Publié le: 2021-06-16
| Mis à jour le: 2022-03-11
