Texas Instruments Module d'évaluation CA vers CC isolé PFCLLCSREVM034
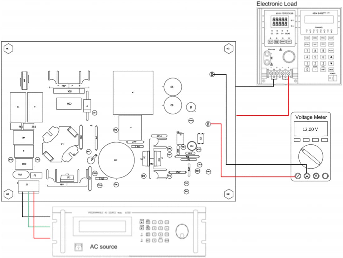
Le module d'évaluation (EVM) CA vers CC isolé PFCLLCSREVM034 de Texas Instruments évalue les dispositifs UCC28056B, UCC25604, et UCC24624. Le module d'évaluation est une alimentation CA/CC de 168 W avec un frontal de correction du facteur de puissance en mode transition et un convertisseur résonnant LLC en demi-pont isolé avec redressement synchrone. Le PFCLLCSREVM034 de Texas Instruments accepte une entrée CA de 90 Vrms à 264 Vrms et produit 12 VCC avec une puissance de sortie de 168 W à pleine charge.Caractéristiques
- PCB à couche unique économique
- Tension d'entrée CA de 90 Vrms à 264 Vrms
- Sortie régulée standard de 12 VCC
- Puissance à pleine charge de 168 W ou courant à pleine charge de 14 A
- Les caractéristiques de faible puissance optimisées permettent une puissance extrêmement faible en mode veille
- Haute efficacité
- Mode rafale avancé avec allumage et désactivation progressifs en rafale pour minimiser le bruit audible
- Décharge de condensateur X
- Points d'essai pour faciliter l'évaluation du dispositif et de la topologie
Équipement nécessaire
- Source de tension CA
- Capable de fournir une tension CA de sortie monophasée de 85 à 265 V CA, de 47 à 63 Hz, réglable, avec une puissance nominale minimale de 100 W et une fonction de limitation de courant
- La source de tension CA à utiliser doit répondre aux exigences d'isolation renforcée de la norme CEI 60950
- Multimètre numérique CC
- Une unité capable d'une plage d'entrée de 0 VCC à 450 VCC, affichage à quatre chiffres préféré
- Une unité capable d'une plage d'entrée de 0 VCC à 20 VCC, affichage à quatre chiffres préféré
- Charge de sortie
- Charge CC capable de recevoir de 0 VCC à 20 VCC, de 0 A à 14 A et de 0 W à 300 W ou plus, avec la capacité d'afficher des informations telles que le courant de charge et la puissance de charge
- Oscilloscope
- Capable de disposer d'une largeur de bande complète de 500 MHz, numérique ou analogique (si numérique, 5 Gs/s ou supérieur)
- Ventilateur
- Un refroidissement par air forcé de 60 à 120 mètres linéaires par minute est recommandé, mais n'est pas obligatoire
- Jauge de fil recommandée
- Capable de 25 A, ou supérieur à AWG n°14, avec la longueur totale du fil pour être inférieure à 2,5 m (entrée de 1,25 met retour de 1,25 m)
Applications
- Adaptateurs CA-CC industriels
- Outils électriques
- Alimentation électrique médicale
- Imprimante multifonction
- Projecteur d'entreprise et de cinéma
- Alimentation de PC
- Alimentation de console de jeu
Configuration du test
Publié le: 2020-08-24
| Mis à jour le: 2024-08-16
