Texas Instruments Convertisseur abaisseur LV14340
Le convertisseur Buck LV14340 de Texas Instruments est un régulateur Buck 40 V, 3,5 A avec un MOSFET côté haut intégré. Ce composant offre une large plage d’entrée de 4 V à 40 V et est idéal pour diverses applications industrielles et automobiles pour le conditionnement d’alimentation de sources non régulées. De plus, une large plage de fréquence de commutation réglable permet une efficacité ou une optimisation de la taille des composants externes.Le convertisseur LV14340 de TI dispose également d’options de protection intégrées, telles qu’une limite de courant cycle par cycle, une détection thermique, l'arrêt en cas de dissipation de puissance excessive et une protection contre les surtensions en sortie.
Le LV14340 est logé dans un HSOIC à 8 broches avec une pastille exposée pour une faible résistance thermique.
Caractéristiques
- Produits plus récents disponibles - Convertisseur synchrone LMR51440 4 à 36 V, 4 A, 200 kHz à 1,1 MHz
- Pour un délai de commercialisation plus rapide - Module d'alimentation TLVM13640 3 à 36 V, 4 A, 200 kHz à 2,2 MHz
- Plage d’entrée de 4 V à 40 V
- Courant de sortie continu 3,5 A
- MOSFET côté haut de 100 mΩ
- 100 ns minimum à temps
- Contrôle du mode courant
- Fréquence de commutation réglable de 200 kHz à 2 MHz
- Synchronisation de fréquence sur l'horloge externe
- Compensation interne pour une utilisation facile
- Exploitation à cycle de service élevé prise en charge
- Entrée de précision
- Courant d'arrêt : 1 µA
- Protection thermique, contre les surtensions et les courts-circuits
- SOIC 8 broches avec boîtier PowerPAD™
Applications
- Régulation de batterie automobile
- Alimentations industrielles
- Systèmes de télécommunication et de datacom
- Systèmes alimentés par batterie
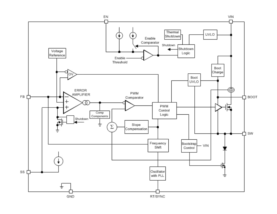
Schéma fonctionnel
Publié le: 2024-05-13
| Mis à jour le: 2024-05-23
