Texas Instruments Chargeur de batterie linéaire bq25180
Le chargeur de batterie linéaire bq25180 de Texas Instruments se concentre sur une solution de petite taille et un faible courant de repos pour prolonger la durée de vie de la batterie. Le composant est disponible en boîtier à 8 billes à l'échelle d'une puce qui n'a pas besoin du processus PCB HDI pour la fabrication, ce qui réduit le coût de la carte de circuit imprimé. Le dispositif peut prendre en charge jusqu'à 1 A de charge et des charges système jusqu'à 2,5 A.La batterie est chargée à l'aide d'un profil de charge standard Li-ion ou LiFePO4 avec trois phases : précharge, courant constant et tension constante. La régulation thermique fournit le courant de charge maximal tout en gérant la température du dispositif. Le chargeur est également optimisé pour le chargement d'une batterie vers une batterie avec un fonctionnement à tension d'entrée minimale de 3 V et peut supporter des transitoires de ligne maximales absolus de 25 V. Le bq25180 de Texas Instruments intègre un seul circuit d'entrée et de réinitialisation à bouton-poussoir pour réduire l'encombrement total de la solution.
Caractéristiques
- Chargeur de batterie linéaire à chemin d'alimentation 1 A
- Plage de tension de fonctionnement d'entrée de 3,0 V à 5,9 V optimisée pour le chargement d'une batterie à une batterie et un adaptateur USB
- Tension d'entrée tolérante : 25 V
- Tension de régulation de batterie configurable avec une précision de 0,5 % de 3,6 V à 4,65 V par incréments de 10 mV
- Courant de charge rapide configurable de 5 mA à 1 A
- Résistance FET de batterie 55 mΩ
- Courant de décharge jusqu'à 2,5 A pour prendre en charge des charges système élevées
- Courant de terminaison configurable pouvant descendre à 0,5 mA
- Seuils de profil de charge NTC configurables, y compris la prise en charge JEITA
- Cycle de puissance et mécanismes de réinitialisation avancés pour récupérer le système
- Gestion du chemin d'alimentation pour alimenter le système et charger la batterie
- Tension système régulée (SYS) allant de 4,4 V à 4,9 V en plus du suivi de la tension de la batterie et des options de passage d'entrée
- Limite de courant d'entrée configurable
- Adaptateur ou alimentation par batterie sélectionnables pour le système
- La gestion dynamique du chemin d'alimentation optimise la charge à partir d'adaptateurs faibles
- Modes à courant de repos ultra-faible
- Mode d'arrêt 15 nA
- Mode d'expédition 3,2 µA avec réveil par appui sur un bouton
- 3 µA en mode batterie seule
- Iq adaptateur d'entrée 30 µA en mode veille
- Une entrée de réveil et de réinitialisation à bouton-poussoir
- Protection intégrée contre les défaillances
- Protection contre les surtensions d'entrée (VIN_OVP)
- Protection contre les sous-tensions de batterie (VBUVLO)
- Protection contre les courts-circuits de batterie (BATSC)
- Protection contre les surintensités de batterie (BATOCP)
- Protection de limite de courant d'entrée (ILIM)
- Régulation thermique (TREG) et arrêt thermique (TSHUT)
- Protection contre les défaillances thermiques de la batterie (TS)
- Défaillance du Watchdog et du minuteur de sécurité
- Protection contre les courts-circuits système
- Protection contre les surtensions du système
Applications
- Casque et boîtier de charge TWS
- Lunettes intelligentes, RA et RV
- Montres connectées et autres appareils portables
- Automatisation et paiement du commerce de détail
- Immotique
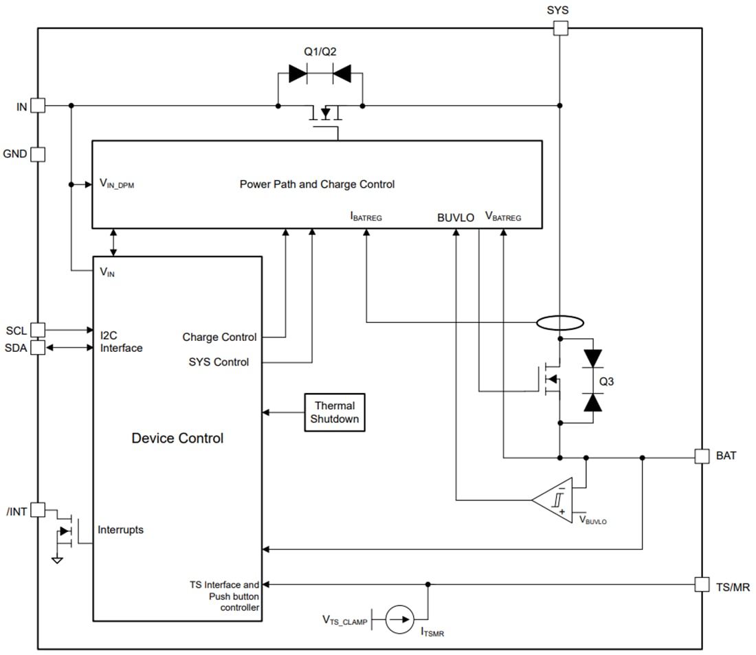
Schéma de principe fonctionnel
Publié le: 2022-03-01
| Mis à jour le: 2024-01-03
