Texas Instruments Circuit intégré de chargeur de batterie linéaire BQ25185
Le circuit intégré de chargeur de batterie linéaire BQ25185 de Texas Instruments est un chargeur de batterie linéaire autonome à 1 cellule, 1 A, avec chemin d'alimentation et prise en charge de l'entrée solaire. Ce circuit intégré de chargeur linéaire se concentre sur une solution de petite taille et un faible courant de repos pour prolonger la durée de vie de la batterie. Le chargeur BQ25185 dispose d'une plage de tension d'entrée de fonctionnement de 3 V à 18 V, d'une tension d'entrée tolérante de 25 V, de charges système jusqu'à 3,125 A et d'une tension système régulée (SYS) de 4,5 V. Le circuit intégré de chargeur BQ25185 utilise un profil de charge standard Li-ion ou LiFePO4 avec trois phases : précharge, courant constant et tension constante. Ce circuit intégré de chargeur de batterie est disponible dans un petit boîtier sans fil avec un tampon thermique qui offre une performance thermique. Les applications typiques incluent le casque et l'étui de chargement TWS, les lunettes intelligentes, la réalité augmentée, la réalité virtuelle, les appareils portables, l'automatisation et le paiement de la vente au détail et l'automatisation des bâtiments.Caractéristiques
- Chargeur de batterie linéaire 1 A :
- Plage de fonctionnement de la tension d'entrée de 3 V à 18 V
- Tension d'entrée tolérante : 25 V
- Fonctionnement programmable de la résistance externe :
- ILIM/VSET règle la tension de régulation de la batterie sur 3,6 V, 3,65 V, 4,02 V, 4,1 V, 4,2 V, 4,35 V ou 4,4 V.
- ILIM/VSET définit la limite de courant d'entrée à 100 mA, 500 mA ou 1 100 mA
- ISET pour régler le courant de charge de 5 mA à 1 A
- Prise en charge des chimies Li-ion, Li-Poly et LiFePO4
- Résistance FET ON de la batterie de 115 mΩ
- Courant de décharge jusqu'à 3,125 A pour supporter des charges système élevées
- Gestion du chemin d'alimentation pour alimenter le système et charger la batterie :
- Tension du système régulée (SYS) à 4,5 V
- Limite de courant d'entrée configurable
- Mode de suspension USB pris en charge
- Gestion dynamique de l'alimentation de la tension d'entrée de suivi de batterie (VINDPM) pour les sources d'entrée à haute impédance
- La gestion dynamique du chemin d'alimentation optimise la charge à partir d'adaptateurs faibles
- Courant de repos ultra-faible
- 4 µA en mode batterie uniquement
- Adaptateur d'entrée Iq 30 µA en mode veille
- Courant de décharge de la batterie de 3,2 µA en mode usine
- Protection intégrée contre les défauts :
- Protection contre les surtensions d'entrée (VIN_OVP)
- Protection contre les sous-tensions de batterie (BUVLO)
- Protection contre les courts-circuits de batterie (BATSC)
- Protection contre les surintensités de batterie (BATOCP)
- Protection de limite de courant d'entrée (ILIM)
- Régulation thermique (TREG) et arrêt thermique (TSHUT)
- Protection contre les défauts thermiques de batterie (TS)
- Défaut du temporisateur de sécurité
- Protection contre les courts-circuits/ouvertures des broches ISET et ILIM/VSET
Applications
- Casque TWS et étui de chargement
- Lunettes intelligentes, AR et VR
- Appareils portables tels que les montres intelligentes
- Automatisation et paiement du commerce de détail
- Automatisation des bâtiments
Schéma de circuit d'application
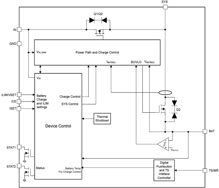
Schéma fonctionnel
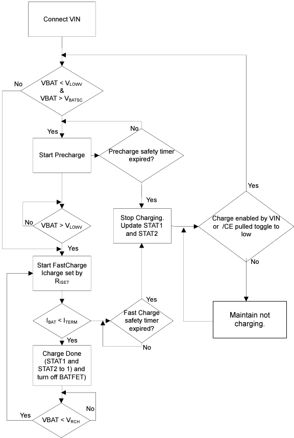
Diagramme de flux du chargeur
Publié le: 2024-01-03
| Mis à jour le: 2024-01-29
