STMicroelectronics Carte d'évaluation STEVAL-A6983NV1
La carte d’évaluation STEVAL-A6983NV1 de STMicroelectronics est basée sur le régulateur abaisseur monolithique synchrone A6983 facile à utiliser. Le régulateur A6983 peut fournir jusqu’à 3 A CC à la charge. Ce composant offre une large plage de tension d’entrée qui est idéale pour un large éventail d’applications.La STEVAL-A6983NV1 de STMicroelectronics utilise une architecture en mode courant de crête et est fournie dans un boîtier QFN16 (3 mm x 3 mm) avec compensation interne. Ce boîtier permet de minimiser la complexité et la taille de la conception. La STEVAL-A6983NV1 est créée pour les applications actives pendant le stationnement du véhicule, de sorte qu’elle maximise le rendement à faible charge avec l’ondulation de tension de sortie contrôlée.
La STEVAL-A6983NV1 permet de sélectionner la fréquence de commutation dans la plage de 200 kHz à 2,3 MHz avec un spectre étalé optionnel pour une CEM améliorée. La broche EN permet la fonctionnalité d’activation/désactivation. Le courant d’arrêt standard est de 2 μA lorsqu’elle est désactivée. Dès que la broche EN est relevée, la STEVAL-A6983NV1 est activée et le démarrage progressif interne 1,3 ms a lieu. La STEVAL-A6983NV1 dispose d’un collecteur ouvert Power Good qui surveille la tension de rétroaction (FB). La détection de courant impulsion par impulsion sur les deux éléments de puissance met en œuvre une protection adéquate du courant constant et l’arrêt thermique empêche l’emballement thermique.
Caractéristiques
- Homologué AEC-Q100 classe 1
- Plage de température de fonctionnement de -40 °C à +150 °C pour Tj
- Tension d’entrée de fonctionnement de 3,5 V à 38 V
- Tension de sortie de 0,85 V à VIN
- Versions à tension de sortie fixe de 3,3 V et 5 V
- Courant de sortie CC 3 A
- Réseau de compensation interne
- Applications sensibles au bruit
- Courant d’arrêt 2 μA
- Démarrage progressif interne
- Activation compatible VIN haute tension
- Protection contre les surtensions en sortie
- Séquencement de tension de sortie
- Protection thermique
- Fréquence 0,2 MHz de commutation programmable à 2,2 MHz
- Stable avec un condensateur à faible ESR min. 22 µF
- Spectre étalé optionnel pour un CEM amélioré
- Bonne alimentation
- Synchronisation avec une horloge externe
- Boîtier QFN16 (3 mm x 3 mm)
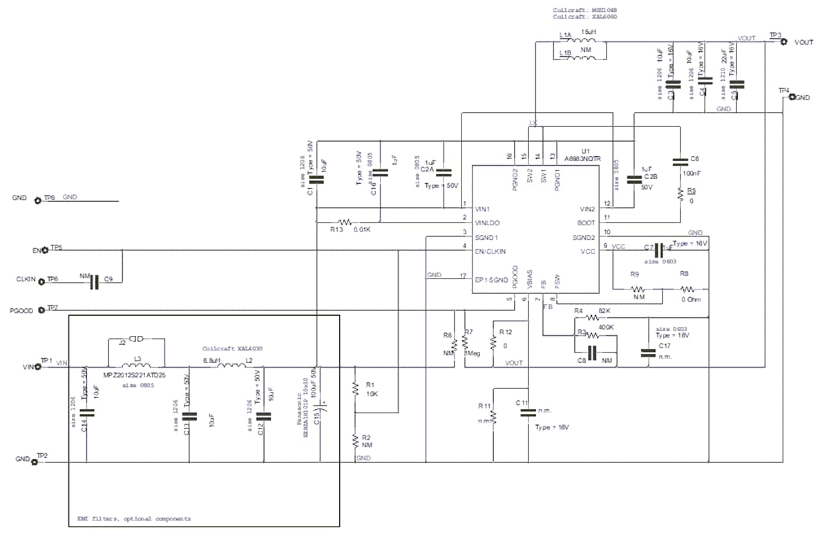
Schéma de principe
