STMicroelectronics Carte d'évaluation STEVAL-A6983CV1

La carte d’évaluation STEVAL-A6983CV1 de STMicroelectronics est conçue pour le régulateur abaisseur monolithique synchrone A6983, capable de fournir jusqu’à 3 A CC à la charge. La large plage de tension d’entrée du STEVAL-A6983CV1 permet un large éventail d’applications.

La STEVAL-A6983CV1 de STMicroelectronics fonctionne sur une architecture en mode courant de crête encapsulée dans un boîtier QFN16 (3 mm x 3 mm) avec compensation interne, minimisant ainsi la complexité et la taille de la conception. La STEVAL-A6983CV1 permet de sélectionner la fréquence de commutation dans la plage de 200 kHz à 2,3 MHz avec un spectre étalé optionnel pour une CEM améliorée. La broche EN facilite une fonctionnalité d’activation/désactivation. Le courant d’arrêt standard est de 2 μA lorsqu’elle est désactivée. Le dispositif est activé lorsque la broche EN est tirée vers le haut et que le démarrage progressif 1,3 ms interne se produit.

La STEVAL-A6983CV1 dispose d’un collecteur ouvert Power Good qui surveille la tension de rétroaction (FB). La détection de courant impulsion par impulsion sur les deux éléments de puissance met en œuvre une protection suffisante du courant continu et l’arrêt thermique empêche l’emballement thermique.

Caractéristiques

  • Homologué AECQ100 classe 1
  • Plage de température de fonctionnement de -40 °C à +150 °C pour Tj
  • Tension d’entrée de fonctionnement de 3,5 V à 38 V
  • Tension de sortie de 0,85 V à VIN
  • Courant de sortie CC 3 A
  • Courant de repos 25 μA
  • Réseau de compensation interne
  • Haut rendement à faible charge
  • Courant d’arrêt 2 μA
  • Démarrage progressif interne
  • Activation compatible VIN haute tension
  • Protection contre les surtensions en sortie
  • Séquencement de tension de sortie
  • Protection thermique
  • Fréquence de commutation programmable de 200 MHz à 2,2 MHz, stable avec un condensateur à faible ESR min. 22 µF
  • Spectre étalé optionnel pour un CEM amélioré
  • Bonne alimentation
  • Boîtier QFN16 (3 mm x 3 mm)

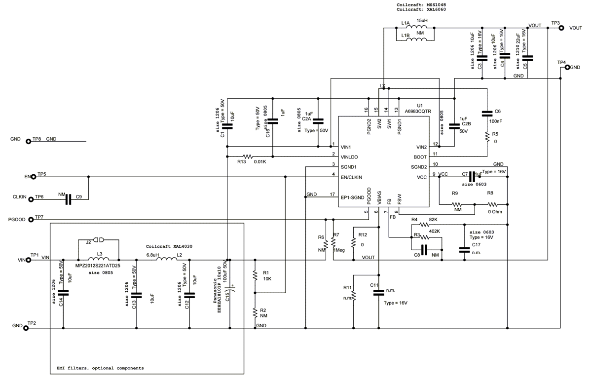
Schéma de principe

Schéma - STMicroelectronics Carte d'évaluation STEVAL-A6983CV1
Publié le: 2024-03-20 | Mis à jour le: 2024-04-04