STMicroelectronics Conception de référence de convertisseur STEVAL-VP318L2F
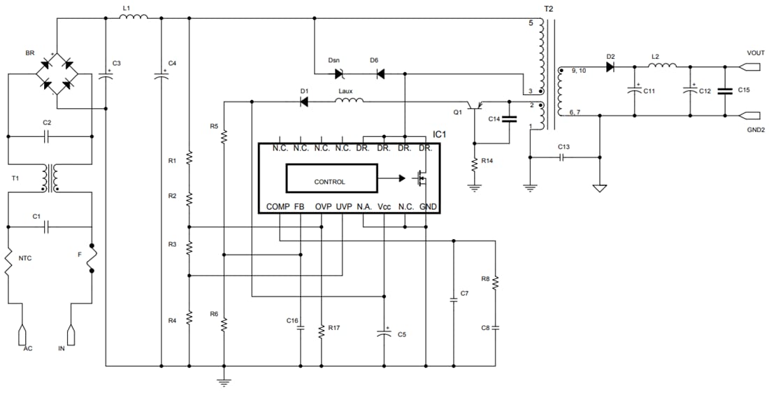
La conception de référence du convertisseur STEVAL-VP318L2F STMicroelectronics met en œuvre un convertisseur flyback isolé de 15 V et 18 W en régulation du côté primaire (PSR) développé pour les applications à usage général, fonctionnant entre 90 et 265 VCA. La conception de référence est construite autour du convertisseur hors ligne à haute tension VIPER318LDTR, qui appartient à la famille VIPerPlus STMicroelectronics. Elle comprend un MOSFET de puissance robuste à avalanche de 800 V, un contrôle du mode courant PWM, une fréquence de commutation fixe de 60 kHz avec gigue pour répondre aux normes de perturbation électromagnétique et un mode rafale pour une gestion de charge faible. Les principales caractéristiques de la carte d'évaluation sont une petite taille, une BOM minimale, un rendement élevé et une régulation de charge de ligne étroite sur l'ensemble des plages d'entrée et de sortie. Une protection contre les surtensions et les sous-tensions en entrée, avec des seuils d'intervention séparés et paramétrables, est disponible au niveau des broches OVP et UVP.Caractéristiques
- Plage d'alimentation d'entrée universelle de 90 à 265 V CA
- Fréquence : 50-60 Hz
- Tension de sortie : 15 V
- Courant de sortie : 1,2 A
- Rendement moyen : > 83 %
- Régulation de ligne et de charge étroite sur l'ensemble des plages d'entrée et de sortie
- Conforme à la norme EMI conduite CEI55022 Classe B même avec filtre EMI réduit, grâce à la fonction de gigue de fréquence
- Conforme à la directive RoHS
Schéma de Circuit
Publié le: 2021-07-28
| Mis à jour le: 2022-03-11
