STMicroelectronics Convertisseurs synchrone Buck DCP3601
Les convertisseurs Buck synchrones DCP3601 de STMicroelectronics peuvent piloter un courant de charge jusqu’à 1 A. Les convertisseurs DCP3601 de STMicroelectronics ont une plage d’entrée étendue de 3,3 V à 36 V ce qui rend le dispositif adapté à une large gamme d’ applications industrielles. Le DCP3601 fonctionne à une fréquence de commutation de 1 MHz fixe permettant l’utilisation de petits inducteurs pour une taille de solution optimisée. Un brouillage facultatif de la fréquence de commutation est mis en œuvre pour améliorer les performances EMI. Il est basé sur une architecture en mode courant de crête, comprenant un circuit de démarrage progressif, un circuit de protection contre les surintensités, une protection contre les surchauffes et une protection contre les surtensions de sortie. Les convertisseurs synchrones Buck DCP3601 de STMicroelectronics sont disponibles dans un boîtier SOT23-6L.Caractéristiques
- 88 % d’efficacité standard pour une charge de 600 mA (VIN = 24 V, VOUT = 5 V)
- 91 % d’efficacité standard pour une charge de 600 mA (VIN = 12 V, VOUT = 5 V)
- Plage de tension d’exploitation d’entrée de 3,3 V à 36 V
- Capacité de courant de sortie jusqu’à 1 A
- Courant de repos à l’entrée de 110 μA
- Fréquence de commutation fixe de 1 MHz
- Redressement synchrone
- Réseau de compensation interne
- Contrôle du mode de courant de crête
- Deux versions différentes : LCM pour une haute efficacité à charge légère et LNM pour les applications sensibles au bruit
- Protection contre la surtension de sortie
- Arrêt thermique
- Activation de précision
- Tramage de la fréquence de commutation
- Boîtier SOT23-6L
Applications
- Grands appareils
- Comptage intelligent
- Conversion de bus industrielle 24 V
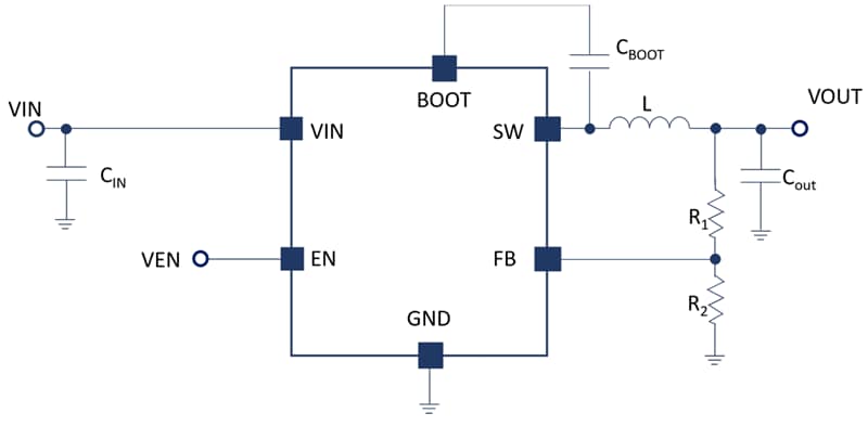
Schéma d'application standard
Vidéos
Publié le: 2025-01-21
| Mis à jour le: 2026-03-17
