STMicroelectronics Carte d'évaluation STEVAL-3601CV1

La carte d'évaluation STEVAL-3601CV1 de STMicroelectronics intègre le convertisseur Buck synchrone DCP3601CMR pour améliorer le contrôle du courant de crête et la circuiterie de conception avancée. Cette carte fait la démonstration d'une conception d'un convertisseur intelligent qui délivre un courant de sortie atteignant 1 A avec une plage d'entrée de 3,3 V à 36 V et une tension de sortie de 5 V. La carte d'évaluation STEVAL-3601CV1 comprend une fréquence de commutation fixe de 1 MHz, un contrôle en mode de courant de crête et un réseau de compensation interne. Cette carte d'évaluation est conforme aux directives RoHS et DEEE. Les applications typiques incluent des solutions de conversion d'énergie dans les grands appareils, le comptage intelligent, la conversion 24 VBUS industriels et les alimentations électriques à large plage d'entrée.

Caractéristiques

  • Comprend le convertisseur Buck synchrone miniaturisé DCP3601CMR
  • Courant de repos à l'entrée de 110 µA
  • Fréquence de commutation fixe de 1 MHz
  • Plage de tension d'exploitation d'entrée de 3,3 V à 36 V
  • Tension de sortie 5 V
  • Redressement synchrone
  • Réseau de compensation interne
  • Contrôle du mode de courant de crête
  • Activation de précision
  • Conforme DEEE et RoHS

Applications

  • Solutions de conversion d'énergie dans les principaux appareils
  • Comptage intelligent
  • Conversion d'énergie 24 VBUS industrielle
  • Alimentations électriques à Vin élevée et à usage général

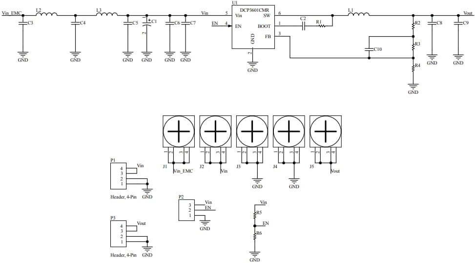
Schéma

Schéma - STMicroelectronics Carte d'évaluation STEVAL-3601CV1
Publié le: 2024-12-09 | Mis à jour le: 2026-03-17