ROHM Semiconductor Carte de référence RB-D610Q338TB52
La carte de référence RB-D610Q338TB52 de ROHM Semiconductor est une plateforme de développement conçue pour faciliter l'évaluation et le prototypage de systèmes intégré basé sur le microcontrôleur 8 bits ML610Q338 LAPIS. Cette carte de référence offre aux développeurs des fonctionnalités robustes, y compris des périphériques intégrés tels que les LED, les boutons et les connecteurs, simplifiant ainsi le test et l'intégration de composants externes. Elle prend en charge plusieurs interfaces d'E/S, permettant une interaction transparente avec des capteurs, des actionneurs et d'autres dispositifs tout en offrant une communication UART pour l'échange de données en série.Les options d'alimentation électrique flexibles de la carte RB-D610Q338TB52 de ROHM Semiconductor garantissent la compatibilité avec divers composants externes, et son interface de programmation en série dans le circuit (ICSP) permet une programmation et un débogage faciles. Optimisée pour la consommation faible puissance, la RB-D610Q338TB52 est idéale pour les applications économes en énergie telles que les dispositifs IoT et les produits portables. Grâce à sa conception compacte et à son support complet pour le développement et le débogage, cette carte de référence est un outil précieux pour les développeurs travaillant avec le microcontrôleur ML610Q338 LAPIS.
Caractéristiques
- Pour utilisation avec le microcontrôleur 8 bitsML610Q338 LAPIS
- Peut être combinée avec l'outil de débogage sur puce EASE1000 V2 et un environnement de développement de logiciel sur puce (DUT8 et MWU16) pour effectuer les opérations suivantes :
- Développement et débogage du logiciel de contrôle du microcontrôleur
- Données de contrôle de programmation et de code sonore dans la mémoire Flash-ROM interne du microcontrôleur
- Lecture vocale par le microcontrôleur
- Interfaces d'E/S flexibles
- Périphériques embarqués
- Port d'accès UART
- Options d'alimentation électrique flexibles
- Interface de programmation et de débogage
- Exploitation à faible puissance
- Plage de tension d'alimentation de fonctionnement de 2 V à 5,5 V
- Taille de 93,98 mm x 55,88 mm x 18 mm (Lxlxh)
Applications
- Électronique grand public
- Dispositifs IoT (Internet des objets)
- Électronique automobile
- Automatisation industrielle
- Jouets et produits éducatifs
- Systèmes de sécurité
- Wearables
Présentation générale
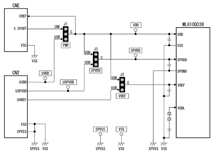
Circuit d'alimentation
Disposition du PCB
Publié le: 2024-12-20
| Mis à jour le: 2024-12-27
