ROHM Semiconductor Carte de référence RB-D610Q327TB48
La carte de référence RB-D610Q327TB48 ROHM Semiconductor est une plateforme de développement conçue pour le microcontrôleur à 8 bits ML610Q327 LAPIS. Elle fournit aux développeurs un outil complet et polyvalent pour l’évaluation et le prototypage des applications intégrées. La carte dispose d’une plage de périphériques intégrés, y compris des LED, des boutons poussoirs et des connecteurs, qui simplifient les tests et le développement. Elle prend en charge également la communication via UART pour la transmission de données en série, permettant une intégration transparente avec les dispositifs externe.Conçue avec flexibilité, la carte RB-D610Q327TB48 de ROHM Semiconductor offre de multiples options d’alimentation électrique et des interfaces de programmation/débogage pour faciliter le développement et le dépannage logiciel. En exploitant les caractéristiques de faible puissance du ML610Q327, la carte de référence est idéale pour des applications économes en énergie tels que les dispositifs IoT, l’électronique grand public et les systèmes de contrôle industriels. Sa conception compacte et ses fonctionnalités robustes en font un outil précieux pour le prototypage rapide et le développement efficace de produits.
Caractéristiques
- Pour utilisation avec le microcontrôleur (MCU) LAPIS ML610Q327 à 8 bits
- Peut être combinée avec l’outil de débogage sur puce EASE1000 V2 et l’environnement de développement de logiciel (DUT8 et MWU16) pour effectuer les opérations suivantes :
- Développement et débogage du logiciel de contrôle du microcontrôleur (MCU)
- Données de contrôle de programmation et de code sonore dans la mémoire Flash-ROM interne du microcontrôleur (MCU)
- Lecture vocale par le microcontrôleur (MCU)
- Interfaces E/S flexibles
- Périphériques embarqués
- Accès de communication UART
- Options d'alimentation électrique flexibles
- Interface de programmation et de débogage
- Exploitation à faible puissance
- Plage de tension d’alimentation de fonctionnement de 2 V à 5,5 V
- Taille 93,98 mm x 55,88 mm x 18 mm (LxPxH)
Applications
- Électronique grand public
- Dispositifs de l’Internet des objets (IoT)
- Électronique automobile
- Automatisation industrielle
- Jouets et produits éducatifs
- Systèmes de sécurité
- Wearables
Présentation générale
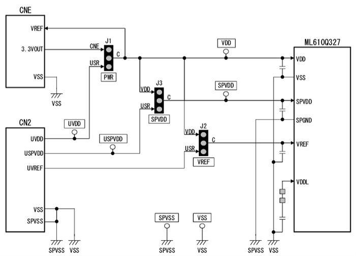
Circuit d’alimentation
Schéma du PCB
Publié le: 2024-12-20
| Mis à jour le: 2024-12-27
