ROHM Semiconductor Carte d'évaluation BD7693FJ-EVK-001
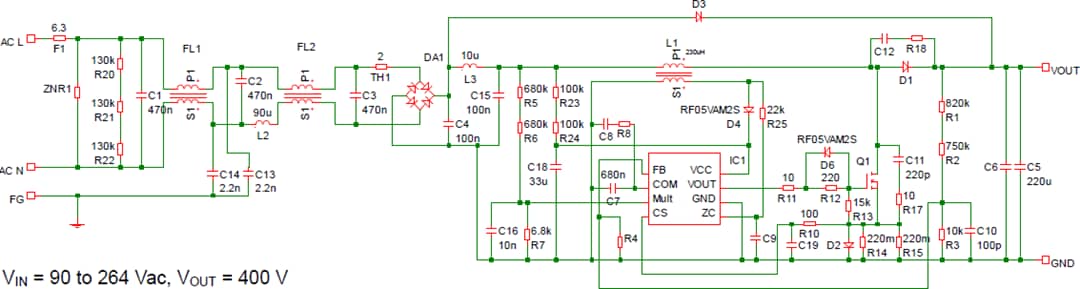
La carte d'évaluation BD7693FJ-EVK-001 de ROHM Semiconductor est une plateforme de démonstration pour le contrôleur de correction du facteur de puissance BD7693FJ. Le BD7693FJ est un contrôleur PFC en mode de conduction limite (BCM) qui fournit une correction simple, haute performance et active du facteur de puissance à l'aide de composants externes minimes. Le BD7693FJ utilise un circuit de détection de courant nul (ZCD) pour réduire considérablement la perte de commutation et le bruit. Le composant intègre également un circuit abaissant le taux de distorsion harmonique (THD). Le BD7693FJ prend en charge la norme d'harmoniques CEI 61000-3-2 de classe C, ce qui la rend idéale pour les applications d'éclairage.La carte d'évaluation BD7693FJ-EVK-001 de ROHM Semiconductor dispose d'un contrôleur PFC BD7693FJ dans un boîtier SOP-J8 de 4,9 mm x 6,0 mm. La carte d'évaluation fournit un exemple de circuit de référence basé sur le BD7693FJ, avec une sortie de 400 V à partir d'une entrée de 90 V à 264 VCA.
Caractéristiques
- Plage de tension d'entrée (VIN) : de 90 V à 264 V CA
- Fréquence d'entrée (fLINE) : 50/60 Hz
- Tension de sortie (VOUT) : de 376 V à 414 V, 395 V standard
- Puissance de sortie (POUT) maximale de 200 W
- Plage de courant de sortie (IOUT) : de 0 A à 0,5 A
- Taux de distorsion harmonique standard (THD) de 3,6 %
- 0,97 PF à 230 VCA, IOUT = 0,5 A
- Efficacité (η) de 96 %
- Tension d'ondulation (VR) de sortie : 11 Vpp
- Temps de maintien (THOLD) minimal de 20 ms
- Plage de température de fonctionnement (Topr) : -10 °C à +65 ºC
- Circuit imprimé 200 mm x 112 mm
Équipement nécessaire
- Alimentation CA de 90 V à 264 V, 200 W ou plus
- Charge électronique 0,5 A avec prise en charge d'une tension d'entrée de 500 V
- Multimètre
- Compteur d'électricité
Disposition de la carte
Schéma de raccordement
Circuit d'application
Publié le: 2021-08-05
| Mis à jour le: 2022-03-11
