ROHM Semiconductor Contrôleur de correction du facteur de puissance BD7693FJ
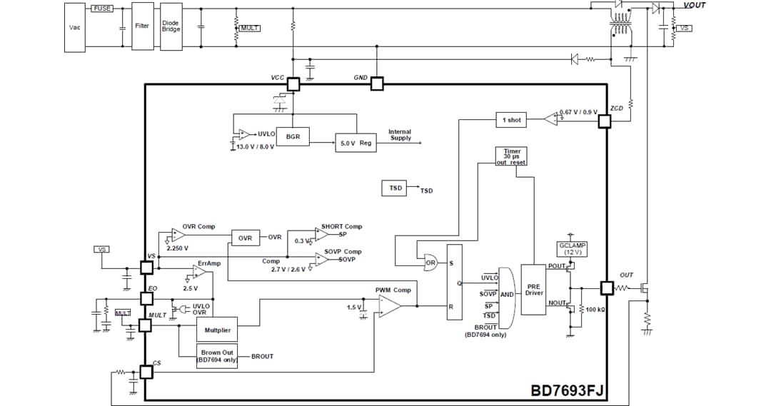
Le contrôleur de correction du facteur de puissance BD7693FJ de ROHM Semiconductor est un contrôleur PFC en mode de conduction de limite (BCM) qui fournit une correction simple du facteur de puissance active à hautes performances utilisant un minimum de composants externes. Le BD7693FJ utilise un circuit de détection de courant nul (ZCD) pour réduire considérablement la perte de commutation et le bruit. Le composant intègre également un circuit abaissant le taux de distorsion harmonique (THD). Le BD7693FJ prend en charge la norme d'harmoniques CEI 61000-3-2 de classe C, ce qui la rend idéale pour les applications d'éclairage.Le contrôleur de correction du facteur de puissance BD7693FJ de ROHM Semiconductor est proposé en boîtier SOP-J8 de 4,9 mm x 6,0 mm avec une plage de température de fonctionnement de -40 ºC à +105 ºC.
Caractéristiques
- Mode de conduction de limite PFC
- Plage de tension d'entrée de 10 V à 38 V
- Incorporation d'un circuit THD faible
- Courant de fonctionnement faible 58 mA
- Fonction UVLO VCC
- ZCD par enroulement auxiliaire
- OVP statique par la broche VS
- Protection contre les courts-circuits d'entrée d'amplificateur en erreur
- Pilote de grille MOSFET stable
- Ouverture en fondu
- Plage de température de fonctionnement de -40 °C à +105 ºC
- Boîtier SOP-J8 4,9 mm x 6,0 mm x 1,65 mm
Applications
- Équipement d'éclairage
- Adaptateurs CA
- Électroménager
Circuit d'application standard
Schéma fonctionnel
Publié le: 2021-08-05
| Mis à jour le: 2022-03-11
