onsemi Pilote de grille double canal isolé NCV51563
Le pilote de grille double canal isolé NCV51563 onsemi prend en charge la source 4,5 A et le courant de crête du dissipateur 9 A. Le NCV51563 est conçu pour une commutation rapide pour piloter des MOSFET de puissance et des commutateurs d'alimentation MOSFET SiC. Le NCV51563 dispose de délais de propagation courts et assortis.Le pilote de grille double canal isolé NCV51563 onsemi fournit deux canaux de pilote de grille à isolation galvanique et 5 kVRMS (classification UL1577) indépendants. Ces canaux offrent de nombreuses configurations possibles de deux commutateurs côté bas, deux commutateurs côté haut ou un pilote demi-pont avec temps mort programmable.
Le NCV51563 dispose de nombreuses fonctions de protection, notamment un verrouillage de sous-tension indépendant pour les commandes de grille et une fonction de réglage du temps mort.
Caractéristiques
- Pilote de porte flexible à double côté bas, à double côté haut ou en demi-pont
- Capacité de courant de sortie de dissipation de crête 4,5 A, source de crête 9 A
- Protections UVLO indépendantes pour les deux pilotes de sortie
- Tension d'alimentation en sortie de 6,5 V à 30 V avec 5 V et 8 V pour MOSFET, UVLO 13 V et 1 V pour SiC, seuils
- Immunité transitoire en mode commun CMTI >200 V/ns
- Délai de propagation standard de 36 ns avec
- 5 ns de correspondance de délai maximale par canal
- 5 ns de distorsion de largeur d'impulsion maximale
- Logique d'entrée programmable par l'utilisateur
- Modes à entrée simple ou double via ANB
- Mode ACTIF ou INACTIF
- Temps mort programmable par l'utilisateur
- Homologué AEC−Q100 pour les exigences des applications automobiles
- Isolement et sécurité
- IsolationRMS 5 kV pendant 1 minute (selon les exigences UL1577)
- Tension d’isolation renforcée 8000VPK (selon les exigences VDE0884-11)
- Certification CQC selon GB4943.1-2011
- Certification SGS FIMO selon CEI 62386-1
- Dispositifs sans plomb
Applications
- Chargeurs embarqués
- Convertisseurs CC-CC XEV
- Onduleurs de traction
- Stations de chargement
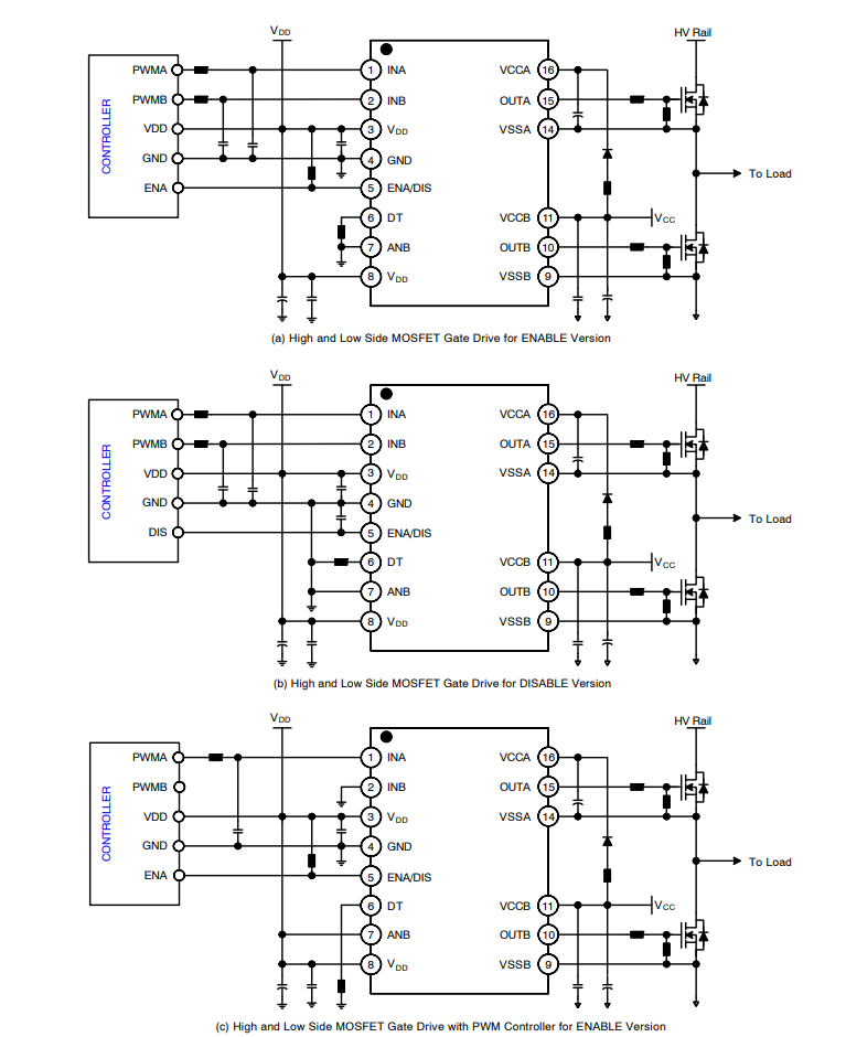
Circuits d’application standard
Schéma fonctionnel
Publié le: 2022-08-23
| Mis à jour le: 2023-08-11
