onsemi Commandes de grilles NCP51563
Les pilotes de grille NCP51563 d'Onsemi sont des pilotes isolés à double canal conçus pour une commutation rapide pour piloter les MOSFET de puissance et les commutateurs d’alimentation SIC MOSFET. Ces pilotes offrent des délais de propagation courts et assortis. Les pilotes de grille NCP51563 disposent d’une source de crête de 4,5 A et d’une capacité de courant de sortie de dissipation de crête de 9 A. Ces pilotes de grille fonctionnent sur une plage de température de jonction de -40°C à +150°C. Les pilotes NCP51563 peuvent être utilisés dans plusieurs configurations : deux commutateurs côté bas, deux commutateurs côté haut ou un pilote demi-pont avec temps mort programmable. Ces pilotes disposent de fonctions de protection telles que le verrouillage indépendant de sous-tension pour les pilotes de grille et une fonction de réglage du temps mort. Les applications comprennent les entraînements de moteurs, les convertisseurs isolés dans l’alimentation CC/CC et CA/CC, les serveurs, les télécommunications, les infrastructures industrielles, les ASI et onduleurs solaires.Caractéristiques
- Flexibles :
- Double pilote de grille côté bas, double côté haut ou demi-pont
- Capacité de courant de sortie de dissipation de crête 4,5 A, source de crête 9 A
- Protections UVLO indépendantes pour les deux pilotes de sortie
- Tension d'alimentation en sortie de 6,5 V à 30 V avec 5 V et 8 V pour MOSFET, UVLO 13 V et 1 V pour SiC, seuils
- Immunité transitoire en mode commun (CMTI) > 200 V/ns
- Délai de propagation standard de 36 ns avec :
- correspondance de délai maximal par canal de5 ns
- Distorsion de largeur d’impulsion maximale de 5 ns
- Logique d'entrée programmable par l'utilisateur
- Modes à entrée simple ou double via ANB
- Mode ACTIF ou INACTIF
- Temps mort programmable par l'utilisateur
- Isolement et sécurité :
- Isolation de 5 kVRMS pendant 1 minute (selon les exigences UL1577)
- Tension d’isolation renforcée de 8 000 VPK (selon les exigences VDE0884-11)
- Certification CQC selon GB4943.1-2011
- Certification SGS FIMO selon CEI 62386-1
- Dispositifs sans plomb
Applications
- Commandes de moteurs
- Convertisseurs isolés dans l’alimentation CC/CC et CA/CC
- Infrastructures de serveurs, de télécommunications et industrielles
- ASI et onduleurs solaires
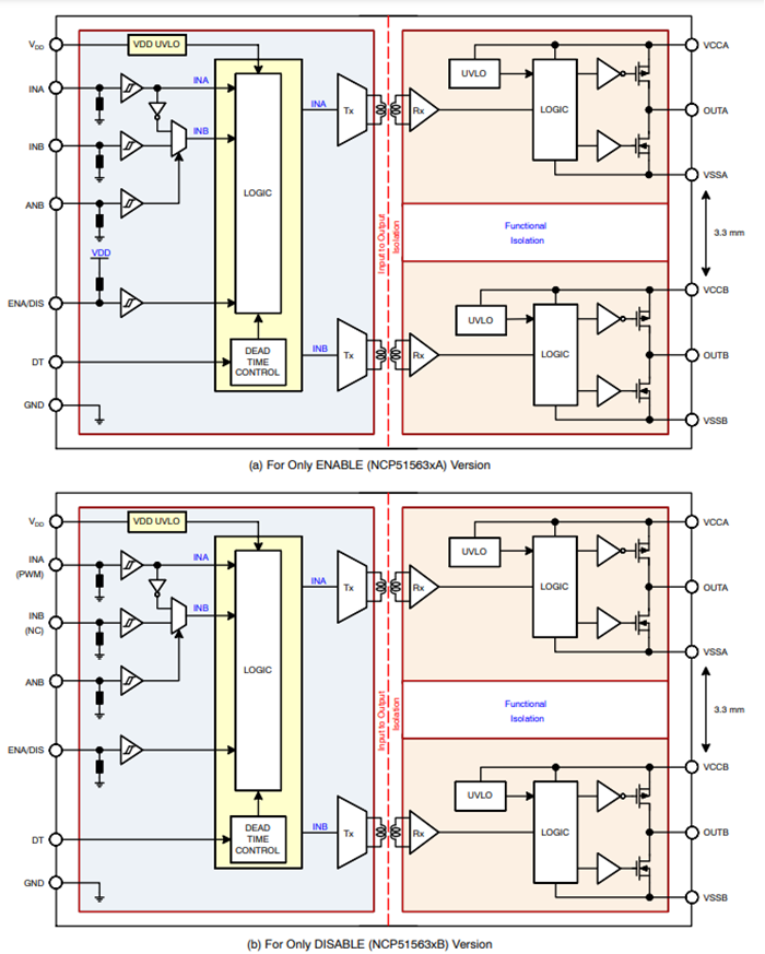
Schéma fonctionnel
Schéma d'application standard
Publié le: 2023-08-11
| Mis à jour le: 2023-11-20
