Omron Industrial Automation S8VK-WA alimentation électrique triphasée 200 V
L'alimentation électrique triphasée 200 V S8VK-WA Omron automatisationoffre une sortieCC 24 V en utilisant une plage d'entréeCA 170 V à 264 VCA, et une puissance nominale de 240 W à 960 W. La plage d'entrée triphasée élimine le besoin d' équilibre de charge et le risque de perte de phase. L'S8VK-WA prend en charge l'identification rapide des emplacements d'erreur avec trois LED et deux sorties de relais MOSFET. Cette alimentation électrique est conçue pour gérer des courants de crête élevés jusqu'à 150 % du courant nominal pendant 10 secondes. L'alimentation électrique en mode commutateur Omron S8VK-WA est conforme aux normes EN/IEC 61558-2-16 et peut fonctionner dans une plage de températures ambiantes de -40 °C à +70 °C.Caractéristiques techniques
- Tension de sortie 24 V
- Plage de tension d'entréeC CA 170 V à 264 V
- Puissance nominale de 240 W à 960 W
- Efficacité jusqu'à 95 %
- Protection contre les surtensions et les surcharges
- Classe de fréquence 50/60Hz (47 Hz à 63 Hz)
- 1 mA max. Courant de fuite
- Conformité à la norme EN/IEC 61558-2-16
- Plage de température ambiante de -40 °C à +70 °C
- 2 sorties relais MOSFET (1 pour la sortie CC et 1 pour la protection contre les surcharges)
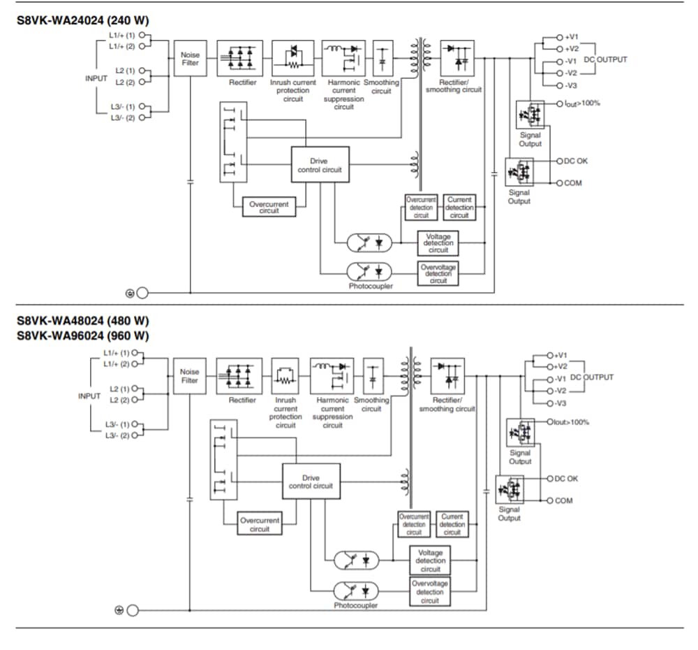
Schémas fonctionnels
Vidéos
Ressources supplémentaires
Publié le: 2019-04-16
| Mis à jour le: 2025-06-04
