NXP Semiconductors Contrôleur combiné LLC et PFC TEA6017AT
Le contrôleur numérique configurable LLC et PFC multimode TEA6017AT de NXP Semiconductors met en œuvre la fonctionnalité de contrôleur LLC et PFC requise pour les alimentations résonnantes à haut rendement. Le PFC est configurable, permettant un fonctionnement en DCM/QR, CCM à fréquence fixe ou multimode, ce qui permet de prendre en charge tous les modes de fonctionnement pour optimiser l'efficacité du PFC.Le contrôleur combiné LLC et PFC TEA6017AT de NXP offre une architecture numérique basée sur une machine d'état matérielle configurable à grande vitesse, garantissant des performances fiables en temps réel. Les paramètres de fonctionnement et de protection du contrôleur TEA6017AT peuvent être modifiés en chargeant de nouveaux paramètres dans le dispositif pour répondre aux exigences détaillées de l'application pendant le développement de l'alimentation. Les configurations peuvent être entièrement sécurisées, empêchant toute copie non autorisée du contenu propriétaire du TEA6017AT.
Le TEA6017AT offre un rendement très élevé à faible charge grâce au mode LLC à faible consommation par rapport aux topologies résonantes traditionnelles. Ce mode fonctionne dans la zone de puissance entre la commutation continue (mode haute puissance) et le mode rafale.
Le TEA6017AT facilite la construction d'une alimentation résonante complète, facile à concevoir et comportant un nombre très faible de composants. Le TEA6017AT se présente sous la forme d'un boîtier SO16 à profil bas et à faible largeur de corps, et est entièrement conforme au profil des applications industrielles de NXP.
Caractéristiques
- Distinctif
- Fonctionnalité complète d'un contrôleur PFC et LLC dans un seul boîtier SO16 de petite taille
- Conforme au profil industriel NXP
- Haute tension de démarrage intégrée
- Pilotes intégrés et redresseur de niveau (LS) à haute tension
- Circuit d'attaque côté haut directement alimenté par la sortie du circuit d'attaque côté bas
- Régulation précise de la tension Boost
- Le PFC peut être configuré pour fonctionner en :
- DCM/QR
- DCM/QR/CCM (également appelé fonctionnement multimode)
- Fréquence fixe CCM
- Décharge de condensateur-X intégrée sans composants externes supplémentaires
- Fonction de qualité d'alimentation
- Gigue PFC pour des performances EMI optimisées
- Excellent facteur de puissance (PF) et distorsion harmonique totale (THD), car le courant PFC compense le courant du filtre d'entrée
- Plusieurs paramètres peuvent être facilement configurés pendant l'évaluation à l'aide de l'interface utilisateur graphique (GUI), comme :
- Fréquences de fonctionnement à être en dehors de la zone audible à tous les modes de fonctionnement
- Démarrage progressif et arrêt progressif en mode rafale, réduisant le bruit audible
- Niveaux de transition précis entre les modes de fonctionnement (mode haute puissance/mode basse consommation/mode rafale)
- Activation/désactivation du mode basse consommation
- Protection
- Niveaux et minuteurs configurables indépendamment
- De nombreuses protections peuvent être réglées indépendamment sur le verrouillage, le redémarrage sûr ou le verrouillage après plusieurs tentatives de redémarrage.
- Protection contre les sous-tensions d'alimentation (UVP)
- Protection contre la surpuissance (OPP)
- Protection contre la surchauffe interne et externe (OTP)
- Régulation du mode capacitif (CMR)
- Protection contre les surtensions précise (OVP)
- Protection contre les surintensités (OCP)
- Protection du courant d'appel (ICP)
- Détection des baisses/hausses de tension
- Entrée de désactivation
- Vert
- Commutation de tension de creux/nulle pour des pertes de commutation minimales
- Rendement extrêmement élevé de faible à forte charge
- Conforme aux normes et directives d'économie d'énergie (Energy Star, EuP)
- Excellente puissance d'entrée à vide (<75 mW pour la combinaison TEA6017AT/TEA2095T)
Applications
- PC de bureau et tout-en-un
- Alimentations pour jeux vidéo
- Télévision LCD
- Adaptateurs de notebooks et adaptateurs à usage général
- Imprimante
- Serveur
- Alimentations 5G
- Télévision LED UHD
- Applications industrielles
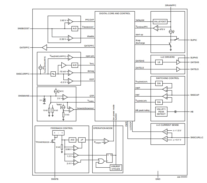
Schéma fonctionnel
