Nexperia Produits de boîtiers à montage en surface SOT8015
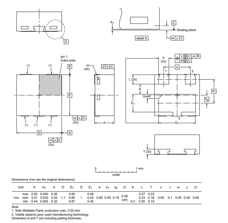
Les produits de boîtiers à montage en surface SOT8015 de Nexperia offrent un boîtier plastique, sans fil, à profil extrêmement mince avec des flancs mouillables latéraux (SWF). Le SOT8015 dispose de trois bornes, d'un pas de 0,65 mm et d'un corps de 1,1 mm x 1 mm x 0,48 mm. Le boîtier SOT8015 dispose d’un code descriptif de style boîtier de HUSON (encombrement ultra mince amélioré thermique, sans fils) et d’un encombrement 1,4 mm x 1,8 mm. Les dispositifs SOT8015 de Nexperia ont une zone d'empreinte de 2,52 mm2.Caractéristiques
- Code de position de borne : B (inférieur)
- Code descriptif du type de boîtier : HUSON3
- Code industriel du type boîtier : DFN1110D-3
- Code descriptif du style de boîtier : HUSON (endurci thermique à profil ultra mince, sans fils)
- Type de matériau du corps du boîtier : P (plastique)
- Code du contour du boîtier : MO-340BA JEDEC
- Type de méthode de montage : S (montage en surface)
- Aucune référence graphique détaillée du contour du boîtier
- Date d'émission : 29/11/2019
- Code du boîtier du fabricant : SOT8015
- dimensions de l’empreinte 1,4 mm x 1,8 mm
- Zone d'empreinte de 2,52 mm2
Récapitulatif sur le boîtier
Vidéos
Profil de boîtier
Publié le: 2022-07-22
| Mis à jour le: 2025-10-23
