Nexperia Produits de boîtiers à montage en surface SOT8009
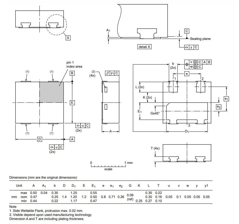
Les produits de boîtiers à montage en surface SOT8009 de Nexperia offrent un boîtier plastique à très faible encombrement et sans fil avec des flancs mouillables latéraux (SWF). Le boîtier SOT8009 dispose de trois bornes, d'un pas de 0,8 mm avec un corps de 1,4 mm x 1,2 mm x 0,48 mm. Les produits SOT8009 utilisent un code descriptif DFN1412D-3 et un style de boîtier USON (profil ultra mince à faible encombrement, sans fils). Les produits de boîtiers à montage en surface SOT8009 de Nexperia prennent en charge un encombrement de 2 mm x 1,7 mm et une surface d'encombrement de 3,4 mm2.Caractéristiques
- Code de position de borne : B (inférieur)
- Code descriptif du type de boîtier : DFN1412D-3
- Code industriel de type boîtier : DFN1412D-3
- Code descriptif du style de boîtier USON (profil ultra mince à faible encombrement, sans fils)
- Type de matériau du corps du boîtier : P (plastique)
- Code du contour du boîtier : MO-340CA JEDEC
- Type de méthode de montage : S (montage en surface)
- Aucune référence graphique détaillée du contour du boîtier
- Date d'émission : 06/12/2019
- Code du boîtier du fabricant : SOT8009
- Dimensions d'encombrement : 2 mm x 1,7 mm
- Surface d'encombrement : 3,4 mm2
Récapitulatif sur le boîtier
Vidéos
Profil de boîtier
Publié le: 2022-07-21
| Mis à jour le: 2025-12-18
