Littelfuse Déclencheur de fusible pyrotechnique CH1B050P
Le déclencheur de fusible pyrotechnique CH1B050P de Littelfuse utilise la technologie Hall en boucle ouverte pour détecter une condition de surintensité et fournir un signal de sortie pour activer un module pyrotechnique. Le capteur de courant CH1B050P déclenche directement le module pyrotechnique et offre une capacité d'interruption de courant de défaut élevée. Cette solution de protection de circuit rapide et fiable Littelfuse présente unefaible consommation de puissance dans une conception compacte et légère.Caractéristiques
- Conçus pour les applications de systèmes de modules pyrotechniques
- Le capteur de courant déclenche directement le module pyrotechnique
- Capacité d'interruption de courant de défaut très élevée
- Différents niveaux de déclenchement
- Calibration asymétrique possible
- Signal de déclenchement externe vers le module pyrotechnique
- Fonction de diagnostic
- Effet Hall en boucle ouverte
- Alimentation CC unipolaire de +12 V
- Plage de température de fonctionnement de -40 °C à +85 °C
- Tension systèmeCC jusqu’à 1 000 V
Caractéristiques techniques
- Tension d'alimentation maximale de -16 V à 24 V
- Courant maximal d'alimentation de 200 mA en mode de mesure
- Courant maximal d'alimentation de 10 A pendant 2 ms lors du déclenchement
- Résistance d'isolement 50 MΩ
- Courant de fuite de 1 mA dû à la tension diélectrique
- Ligne de fuite de 14,98 mm
- Distance d'isolement de 8,44 mm
- Classe d'inflammabilité UL 94V-0
- Degré de protection IP41
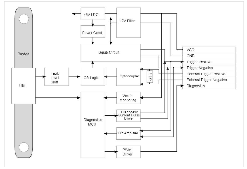
Schéma fonctionnel
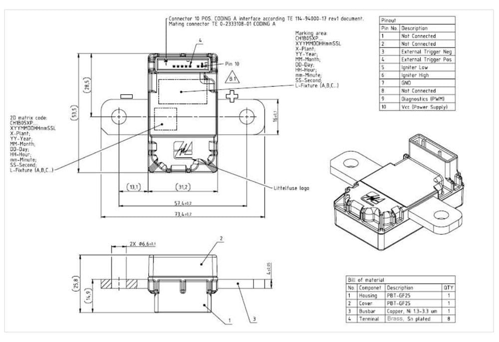
Dimensions (mm)
Publié le: 2025-09-26
| Mis à jour le: 2025-10-24
