Littelfuse Capteur de courant CH1B032B
Le capteur de courant CH1B032B de Littelfuse utilise la technologie à effet Hall en boucle ouverte pour fournir un signal de sortie quotientométrique proportionnel à la densité de flux magnétique générée par le noyau en C. Ce capteur de courant Littelfuse offre une sortie numérique pour l'intégration ASIL C. Le CH1B032B est conçu pour les systèmes de gestion de batterie (BMS) et offre une précision de détection élevée, une faible dérive de décalage thermique et une faible dérive de sensibilité thermique.Caractéristiques
- Conçu pour BMS
- Effet Hall en boucle ouverte
- Mesure isolée barre-bus
- Alimentation +5 VCC unipolaire
- Plage de température de fonctionnement de -40 °C à +85 °C
- Sortie numérique CAN 2.0B avec diagnostic, profil AUTOSAR E2E 1 A mis en œuvre
- Détection de courant de plage supérieure
- Très haute précision obtenue grâce à de multiples combinaisons de sorties de capteurs à effet Hall
- Sortie signal numérique interface CAN ±1 500 A
Caractéristiques techniques
- Plage de tension d’alimentation maximale de -6 V à 5,5 V
- Courant d’alimentation maximal de 150 mA
- Tension maximum de 6 V vers CAN sans dommage ASIC
- Courant maximum de 1 mA vers la broche de sortie sans dommage ASIC
- Résistance d'isolement 50 MΩ
- Résistance diélectrique de 1 mA
- Ligne de fuite de 17 mm
- Distance d'isolement électrique de 15,6 mm
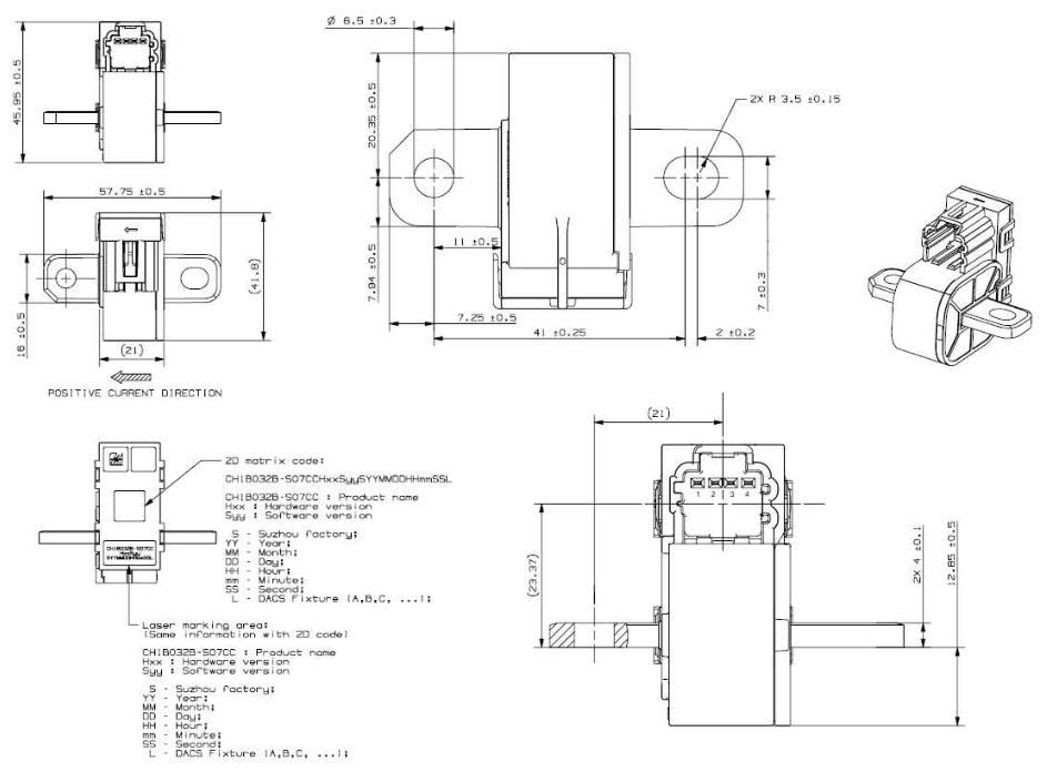
Dimensions (mm)
Publié le: 2025-09-26
| Mis à jour le: 2025-10-24
