Infineon Technologies Contrôleur CC-CC multi-topologie TLD6099-2ES
Le contrôleur à canal double multi-topologie CC-CC TLD6099-2ES d'Infineon Technologies est conçu pour les applications LED avec des fonctionnalités de protection intégrées pour implémenter un pilote LED compact. Le courant de sortie généré par les deux canaux est indépendant et régulé à l'aide d'une boucle de contrôle de courant de crête. La compensation interne de pente évite l'oscillation sous-harmonique à un cycle de travail élevé (par exemple, supérieur à 50 %). La précision du courant dépasse 3,5 % (sans graduation analogique appliquée) sur la plage de température de fonctionnement. Les amplificateurs de détection de courant offrent une flexibilité sur le choix de la topologie nécessaire pour alimenter des chaînes de LED avec plus de 20 LED blanches (jusqu'à 70 V à la sortie).Une résistance externe peut ajuster la fréquence de commutation de 100 kHz à 500 kHz ou à une fréquence fixe de 2,2 MHz. La synchronisation avec une horloge externe est également possible. Le dispositif intègre un modulateur à spectre étalé pour répondre facilement aux normes d'émission électromagnétique. Chaque canal de l'Infineon TLD6099-2ES peut piloter un NMOS externe pour décharger rapidement la capacité de sortie. Cette caractéristique aide à gérer les variations rapides de charge dues aux scénarios d'échange de fonction de lumière. Les cas d'utilisateur standard sont la commutation des feux de croisement aux feux de route ou la conduite de feux de route adaptatifs avec un gestionnaire de matrice.
Caractéristiques
- Dispositif à double canal
- Larges plages de tensions d'entrée (jusqu'à 58 V) et de sortie (jusqu'à 70 V)
- Plage de fréquence de commutation de 100 kHz à 500 kHz et 2,2 MHz
- Dispositif optimisé pour la compatibilité électromagnétique
- Réglage de la sortie analogique (graduation analogique)
- Sortie de diagnostic de surtension, court-circuit à la terre, rétroaction ouverte et surchauffe
- Pilote de grille NMOS pour décharge de sortie adaptative
- Précision du courant LED de ±3,5 % (aucune graduation analogique appliquée)
- Qualifiés pour application automobile selon la norme AEC-Q100
Applications
- Pilote LED pour
- Modules de feux avant
- Fonctions lumineuses animées
- Feux de route adaptatifs pixelisés
- Validation de produit
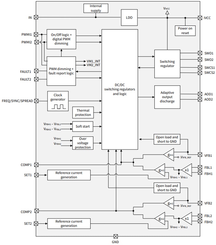
Schéma fonctionnel
Publié le: 2025-01-24
| Mis à jour le: 2025-09-26
