Infineon Technologies Carte d'évaluation TLD6099-2S-S_EVAL
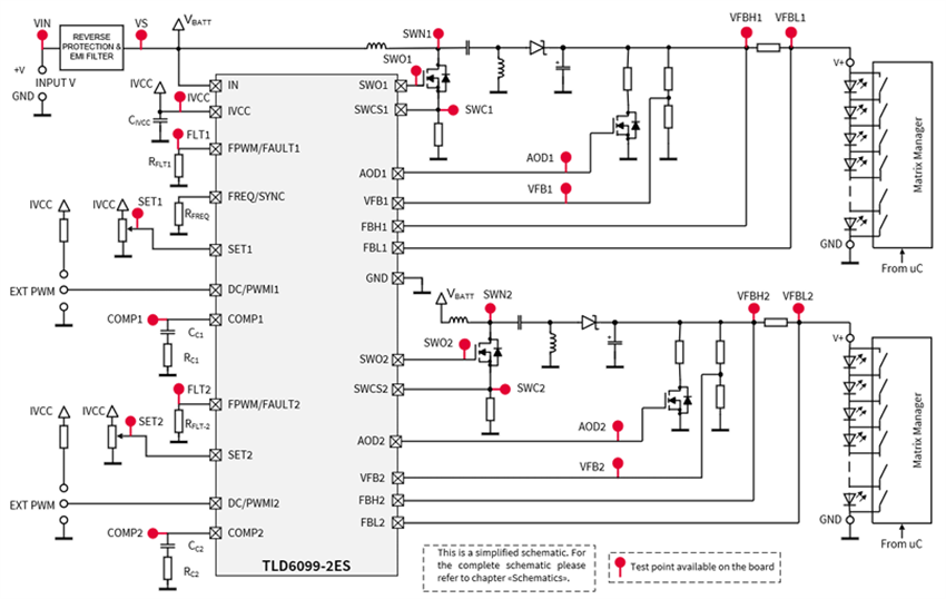
La carte d'évaluation TLD6099-2S-S_EVAL d'Infineon Technologies est une carte d'évaluation de convertisseur à inductance primaire à extrémité unique (SEPIC) avec canal double conçue pour démontrer les capacités du circuit intégré (CI) de pilote LED TLD6099-2S de la famille LITIX™ Power. La carte d'évaluation TLD6099-2S-S_EVAL dispose de deux canaux indépendants et peut délivrer jusqu'à 40 W par canal. Un chemin spécial est prévu pour décharger les condensateurs de sortie lorsqu'une surintensité se produit lors des transitions de charge. Cette carte Infineon est optimisée pour les applications d'éclairage automobile, en particulier les systèmes de faisceau de conduite adaptatif (ADB), et prend en charge les feux de route, les feux de croisement, les feux de jour et les feux de position.Caractéristiques
- Le pilote LED multi-topologie TLD6099-2ES intégré avec décharge de sortie adaptative (AOD) réduit le dépassement du courant de sortie en cas de changements rapides des conditions de charge
- Fonctionnalités de diagnostic du TLD6099-2ES
- Court-circuit à la terre
- Surtension sur la broche VFB
- Surtension sur la broche FBH
- Overtemperature
- 2 canaux indépendants en topologie SEPIC
- Régule un courant de sortie stable pour une chaîne de LED
- La tension directe totale peut être inférieure, supérieure ou égale à la tension d'entrée
- Filtre EMI intégré et protection contre la polarité inverse
- Le diagnostic est toujours activé pour protéger la charge
- Les dépassements du courant de sortie sont fortement limités par la fonctionnalité AOD
- Fréquence de 500 kHz
- Large plage de tension d'alimentation d'entrée 8 V à 45 V
- Courant de sortie maximal de 1 A sur les deux canaux
- Large plage de tensions de sortie 3 V à 40 V
- Puissance de sortie de 40 W par canal
- Température ambiante maximale de +40 °C
- Qualifié automobile
- Facile à utiliser
- Pas besoin de filtrage
Applications
- ADBs
- Feux de route et de croisement
- Feux de jour
- Feux de position
Schéma fonctionnel
Configuration de base
Variation du courant de sortie
Graduation numérique
Publié le: 2025-09-26
| Mis à jour le: 2025-10-31
