Infineon Technologies Commandes de grilles demi-pont 1 200 V EiceDRIVER™
Les commandes de grilles demi-pont 1 200 V EiceDRIVER™ d'Infineon Technologies sont intégrées avec une diode d'amorçage et contrôlent les dispositifs d'alimentation IGBT ou MOSFET SiC. Basés sur la technologie SOI, ces pilotes offrent une excellente robustesse aux tensions transitoires. L'EiceDRIVER a une conception robuste contre le verrouillage parasite sur l'ensemble de la plage de température de fonctionnement et de tension. Les CI de commandes de grilles EiceDRIVER™ disposent d'une source de 2,3 A et d'une capacité de dissipateur de courant de 4,6 A et sont intégrés avec une protection contre les surintensités (OCP) ultra-rapide. Certaines des applications comprennent les entraînements industriels, les convertisseurs intégrés pour le contrôle de moteur dans les pompes, les ventilateurs et la climatisation commerciale et commerciale légère.Caractéristiques
- Technologie unique de silicium sur isolant (SOI) en couche mince
- Canal flottant conçu pour un fonctionnement en mode d'amorçage
- Tension d'amorçage maximale (nœud VB) de 1 225 V
- Tensions de fonctionnement jusqu'à 1 200 V (nœud VS)
- Immunité de tension transitoire et négative 100 V
- Avec impulsions répétitives de 700 ns
- Capacité de courant de sortie source/dissipateur 2,3 A/4,6 A en crête
- Protection intégrée contre les surintensités ultra-rapide (OCP)
- Seuil de référence haute précision ±5 %
- Moins de 1 µs entre le capteur de surintensité et l'arrêt de la sortie
- Diode d'amorçage intégrée ultra-rapide et à faible résistance
- Logique intégrée de prévention du temps mort et du courant traversant (2ED1322S12M)
- Activation, défaut et entrée RFE d'effacement de défaut programmable
- Fonctionnement logique jusqu'à -8 V sur la broche VS
- Verrouillage de sous-tension (UVLO) indépendant par canal
- Tension d'alimentation maximale de 25 V VCC
- Logique séparée (VSS) et mise à la terre de sortie (COM)
- Distance d'isolement/ligne de fuite supérieure à 5 mm
- Capacité DES HBM 2 kV
Caractéristiques techniques
- VS_OFFSET = 1 200 V maximum
- Io+ / IO- = 2,3 A/4,6 A en crête
- VCC = 13 V à 20 V standard
- Retard de propagation = 500 ns standard
- Temps mort = 380 ns standard
Applications
- Entraînements industriels
- Convertisseurs intégrés pour le contrôle de moteur dans les pompes et les ventilateurs
- Climatisation commerciale et commerciale légère
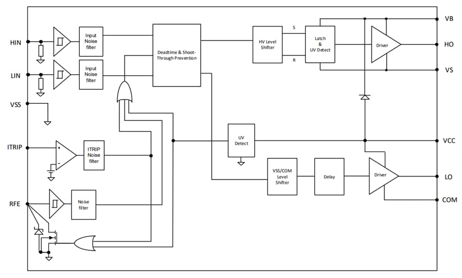
Schéma fonctionnel 2ED1322S12M
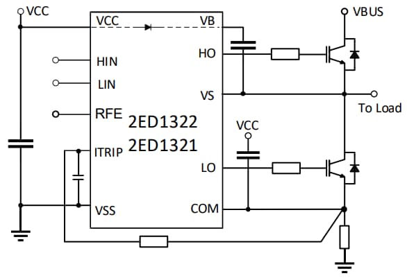
Schéma de circuit d’application standard
Notes d’application
- Gestion des transitoires dans les étages de puissance pilotés par CI de contrôle
- Conseil de conception - Utilisation de pilotes de grille haute tension monolithiques
- Commandes de grilles MOS flottants HT
- Utiliser la charge de grille pour concevoir le circuit de commande de grille pour les MOSFET et les IGBT de puissance
- Comprendre les caractéristiques techniques HVIC
Ressource supplémentaire
Publié le: 2023-05-12
| Mis à jour le: 2023-06-02
