Infineon Technologies MOSFET de puissance à tranchée CoolSiC™ M1 650 V
Les MOSFET de puissance à tranchée CoolSiC ™ M1 650 V d'Infineon Technologies combinent les caractéristiques physiques solides du carbure de silicium avec des caractéristiques uniques qui augmentent la performance, la robustesse et la facilité d'utilisation du dispositif. Les MOSFET CoolSiC M1 s'appuient sur un processus de semiconducteur à tranchée de pointe optimisé pour fournir les pertes d'application les plus faibles et la fiabilité la plus élevée en fonctionnement. Adaptés aux températures élevées et aux opérations difficiles, ces dispositifs permettent le déploiement simplifié et économique d'un système de la plus haute efficacité.Les MOSFET CoolSiC M1 sont proposés dans un boîtier TO-247 compact à 3/4 broches et sont sans Pb, sans halogène et conformes à la directive RoHS.
Caractéristiques
- Faibles capacités
- Comportement de commutation optimisé aux courants plus élevés
- Diode de corps rapide et robuste à commutation avec faible charge de récupération inverse (Qrr)
- Fiabilité supérieure de l'oxyde de grille
- Excellent comportement thermique
- Capacité d'avalanche améliorée
- Fonctionne avec les pilotes standard
- Performances, fiabilité et facilité d'utilisation élevées
- Assure un rendement élevé du système
- Réduit le coût et la complexité du système
- Permet de réduire la taille du système
- Fonctionne en topologies à commutation dure continue
- Adapté aux températures élevées et aux conditions difficiles
- Permet des topologies bidirectionnelles
Applications
- Serveurs
- Télécommunications
- SMPS
- Stockage d'énergie et fabrication de batterie
- Systèmes d'énergie solaire/onduleurs photovoltaïques
- Onduleurs
- Infrastructure de charge de véhicules électriques
- Entraînements de moteurs
- Amplificateurs de classe D
Vidéos
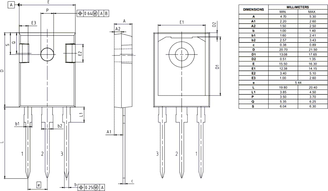
Profil du boîtier (TO-247 3 broches)
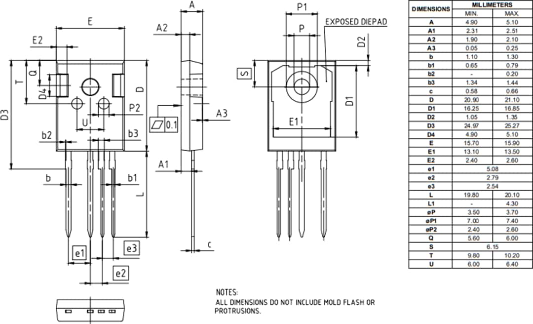
Profil du boîtier (TO-247 4 broches)
View Results ( 26 ) Page
| Numéro de pièce | Fiche technique | Package/Boîte | Id - Courant continu de fuite | Rds On - Résistance drain-source | Qg - Charge de grille | Pd - Dissipation d’énergie |
|---|---|---|---|---|---|---|
| IMBG65R057M1HXTMA1 | ![]() |
39 A | 74 mOhms | 28 nC | 161 W | |
| IMZA65R039M1HXKSA1 | ![]() |
TO-247-4 | 50 A | 50 mOhms | 41 nC | 176 W |
| IMBG65R163M1HXTMA1 | ![]() |
17 A | 217 mOhms | 27 nC | 85 W | |
| IMBG65R107M1HXTMA1 | ![]() |
24 A | 141 mOhms | 35 nC | 110 W | |
| IMZA65R107M1HXKSA1 | ![]() |
TO-247-4 | 20 A | 142 mOhms | 15 nC | 75 W |
| IMBG65R260M1HXTMA1 | ![]() |
6 A | 346 mOhms | 22 nC | 65 W | |
| IMBG65R039M1HXTMA1 | ![]() |
54 A | 51 mOhms | 41 nC | 211 W | |
| IMBG65R072M1HXTMA1 | ![]() |
33 A | 94 mOhms | 22 nC | 140 W | |
| IMBG65R022M1HXTMA1 | ![]() |
64 A | 30 mOhms | 67 nC | 300 W | |
| IMBG65R030M1HXTMA1 | ![]() |
63 A | 42 mOhms | 49 nC | 234 W |
Publié le: 2020-01-22
| Mis à jour le: 2024-09-23

