Infineon Technologies MOSFET CoolSiC™ 2000 V
Les MOSFET CoolSiC™ 2 000 V d'Infineon Technologies sont des MOSFET à tranchée dans un boîtier TO-247PLUS-4-HCC. Ces MOSFET sont conçus pour fournir une densité de puissance accrue sans sacrifier la fiabilité du système, même dans des conditions exigeantes de haute tension et de fréquence de commutation. Les faibles pertes de puissance de la technologie CoolSiC™ offrent une fiabilité accrue grâce à la technologie d’interconnexion .XT et permettent un rendement maximal dans diverses applications. Les MOSFET 2 000 V disposent d’une tension de seuil de grille de référence de 4,5 V et offrent de très faibles pertes de commutation. Les applications typiques incluent les systèmes de stockage d’énergie, le chargement des véhicules électriques, le convertisseur de chaîne et l’optimiseur d’énergie solaire.Caractéristiques
- Densité de puissance élevée
- Très faibles pertes de commutation
- Technologie d’interconnexion .XT pour les meilleures performances thermiques de leur catégorie
- Excellente fiabilité
- Haute efficacité
- Robustesse améliorée à l’humidité
- Diode de corps robuste pour commutation dure
- Facilité de conception
Caractéristiques techniques
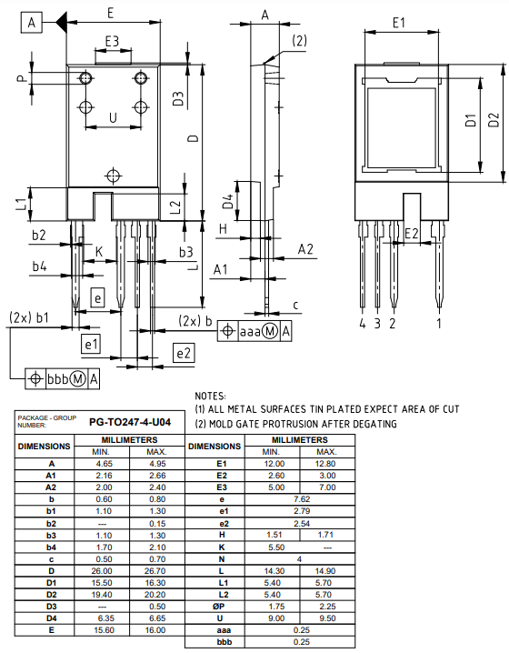
- Montage THT
- 4 PINS
- 2000 V VDSS pour systèmes à liaison CC élevés jusqu’à 1500 VCC
- Tension de seuil de grille de référence de 4,5 V
- Boîtier HCC innovant avec ligne de fuite de 14 mm et distance d'isolement de 5,5 mm
- Plage de température de fonctionnement de -55 °C à 175 °C
- Température de fonctionnement de jonction de 175 °C
Applications
- Systèmes de stockage d'énergie
- Charge des véhicules électriques
- Convertisseur de chaîne
- Optimiseur d'énergie solaire
Vidéos
Schéma des broches
Aperçu du boîtier
Ressource supplémentaire
View Results ( 5 ) Page
| Numéro de pièce | Fiche technique | Pd - Dissipation d’énergie | Qg - Charge de grille | Rds On - Résistance drain-source | Id - Courant continu de fuite | Délai d'activation standard | Délai de désactivation type | Temps de montée | Temps de descente | Transconductance directe - min. |
|---|---|---|---|---|---|---|---|---|---|---|
| IMYH200R012M1HXKSA1 | ![]() |
552 W | 246 nC | 16.5 mOhms | 123 A | 16 ns | 50 ns | 13 ns | 24 ns | 30 S |
| IMYH200R024M1HXKSA1 | ![]() |
576 W | 137 nC | 33 mOhms | 89 A | 19 ns | 40 ns | 11 ns | 16 ns | 20 S |
| IMYH200R050M1HXKSA1 | ![]() |
348 W | 82 nC | 64 mOhms | 48 A | 17 ns | 36 ns | 9 ns | 12 ns | 10 S |
| IMYH200R075M1HXKSA1 | ![]() |
267 W | 64 nC | 98 mOhms | 34 A | 7 ns | 26 ns | 5 ns | 7 ns | 6.5 S |
| IMYH200R100M1HXKSA1 | ![]() |
217 W | 55 nC | 131 mOhms | 26 A | 2 ns | 21 ns | 3 ns | 5 ns | 5 S |
Publié le: 2023-08-02
| Mis à jour le: 2023-08-29

