Diodes Incorporated Contrôleur d'alimentation à double rôle USB PD AP53781
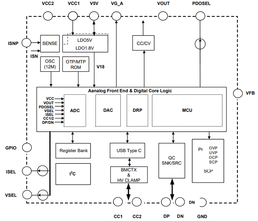
Le Contrôleur DRP (alimentation à double rôle) USB PD (Power Delivery) AP53781 de Diodes Inc. est un contrôleur DRP USB Type-C® PD3.2 entièrement intégré, conçu pour prendre en charge l'EPR (plage de puissance étendue) et l'AVS (alimentation à tension réglable) jusqu’à 28 V, ainsi que la SPR (plage de puissance standard) jusqu’à 21 V. L’AP53781 de Diodes Inc. fonctionne comme consommateur d’énergie en demandant de l’énergie à un adaptateur conforme à la norme PD3.1 et fonctionne également comme fournisseur d’énergie pour alimenter un dispositif équipé d’un connecteur Type-C (TCD). En mode arrêt, l’AP53781 consomme aussi peu que 50 µA et fonctionne sans nécessiter de microcontrôleur (MCU). Pour le mode consommateur, l’objet de données de demande (RDO) souhaité est sélectionné en utilisant des valeurs de résistance spécifiques sur les broches VSEL et ISEL pour définir la tension et le courant cibles. Pour le mode fournisseur, la capacité Objets de données d’alimentation (PDO) est choisie parmi huit profils d’alimentation prédéfinis via une résistance appropriée sur la broche PDOSEL.L'AP53781 intègre des résistances de terminaison Rp/Rd et des commutateurs de commande PRP. Le composant prend en charge les protocoles QC2.0/3.0 et comprend le mode batterie vide lorsqu’il fonctionne comme dissipateur. Pendant le fonctionnement comme source, le contrôle de rétroaction VFB est disponible pour les contrôleurs CC/CC externes. Le dispositif fonctionne de 3,6 V à 28 V en utilisant une topologie de détection de courant côté bas. Les fonctionnalités supplémentaires comprennent une protection contre les courts-circuits entre les broches du canal de configuration (CC1/CC2) et les broches haute tension adjacentes jusqu’à 34 V. Le micrologiciel intégré offre des protections de sécurité complètes, y compris une protection contre les surtensions (OVP), contre les sous-tensions (UVP) et contre les surintensités (OCP).
Caractéristiques
- Certifié USB PD3.1 v1.8 avec TID : 11689
- Prend en charge le contrôle DRP autonome
- Prend en charge l'EPR/AVS jusqu'à 28 V avec 100 mV/incrément
- Prend en charge le SPR jusqu'à 21 V
- Consommation d’énergie aussi faible que 50 µA en mode veille
- Capacité PDO de la source sélectionnée via le réglage de la résistance externe
- Tension/courant RDO du dissipateur sélectionnés via les réglages de la résistance externe
- Prend en charge QC2.0/3.0, que ce soit pour le rôle de dissipateur ou de source
- Prend en charge les commandes de grilles pour le commutateur d'alimentation nMOS VBUS
- Prend en charge la rétroaction VFB analogique pour CC/CC externe
- Plage de tension d'exploitation de 3,6 V à 28 V avec détection de courant côté bas
- Prend en charge les voies de décharge VBUS et VOUT
- Prend en charge le mode batterie vide
- Prend en charge les protections OVP/UVP/OCP avec redémarrage automatique
- Protection contre les courts-circuits VBUS jusqu’à 34 V sur les broches CC1/CC2, jusqu’à 24 V sur les broches DP/DN
- Boîtier WQFN-16 pour montage en surface
- Totalement sans plomb et conforme à la directive RoHS
- Dispositif écologique, sans halogène ni antimoine
Applications
- Bancs de charge
- Outils électriques
- Haut-parleurs sans fil
- Vélos électriques
- Bornes POS
- Écrans portables
Caractéristiques techniques
- Plage de tension d'alimentation de 3,6 V à 28 V
- Courant d'alimentation d'exploitation de 2,5 mA
- Tension d'alimentation de fonctionnement de 3 V
- La chaleur
- Résistance jonction-ambiance 31,3 °C/W
- Résistance jonction-boîtier (haut) 23,9 °C/W
- Résistance jonction-carte 11,5 °C/W
- Paramètre de caractérisation jonction-haut 0,4 °C/W
- Paramètre de caractérisation jonction-haut 11,3 °C/W
- Résistance jonction-boîtier (bas) 5,8 °C/W
- Valeurs DES
- Modèle corps humain (HBM) maximum de 2 kV
- Modèle d’appareil chargé (CDM) maximum de 750 V
- Plage de température ambiante de fonctionnement de -40 °C à +85 °C
- Plage de température de jonction de fonctionnement de -40 °C à +125 °C
- +300 °C température maximale du plomb de soudage pendant 10 s
Outil de développement
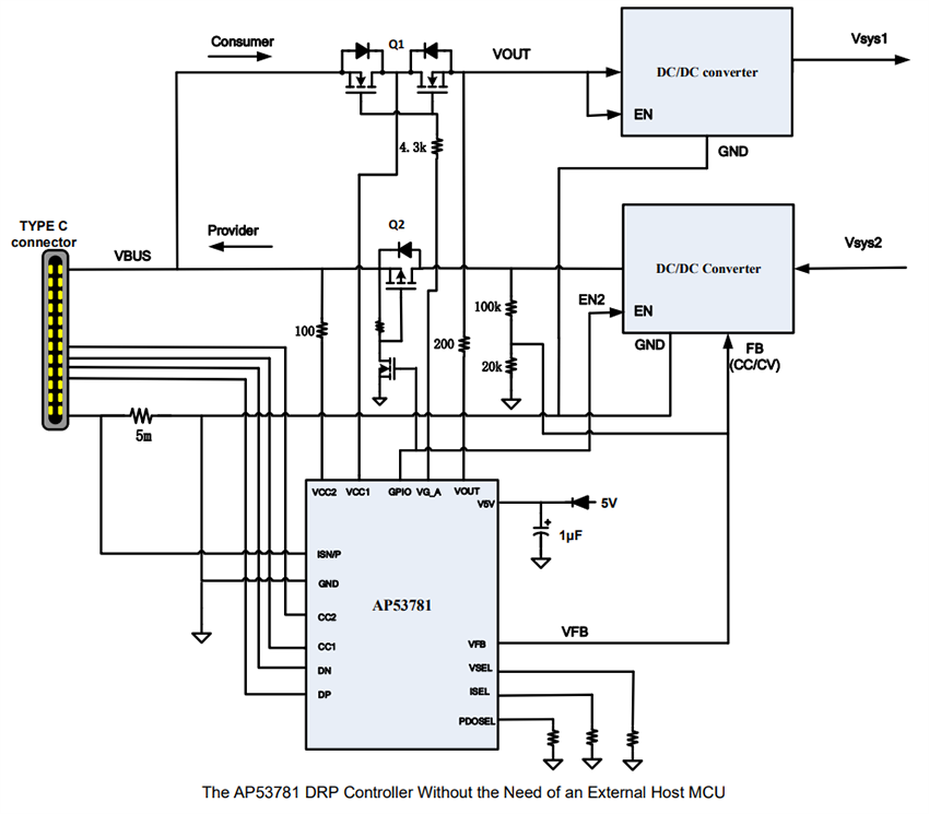
Circuit d'application standard
Schéma fonctionnel
