Analog Devices / Maxim Integrated Kit d'évaluation MAX22199EVKIT
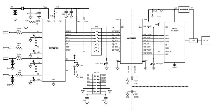
Le kit d'évaluation MAX22199EVKIT d'Analog Devices fournit le matériel et les logiciels nécessaires pour évaluer l'entrée numérique octale industrielle MAX22199. L'entrée numérique industrielle octale MAX22199 convertit huit entrées industrielles à dissipation de courant de 24 V en une sortie compatible SPI sérialisée qui s'interface avec une logique de 3 V à 5,5 V. Le dispositif d'entrée numérique industriel conforme CEI 61131-2 fonctionne comme huit entrées numériques de type 1/type 3 ou quatre entrées numériques de type 2. Le kit d'évaluation MAX22199EVKIT d'Analog Devices reçoit des commandes d'un PC via le port USB pour créer une interface SPI pour la communication entre le logiciel et le MAX22199 monté. Le kit dispose d'un connecteur compatible Pmod™ pour la communication SPI avec un périphérique hôte externe tel qu'un microcontrôleur (MCU) ou un FPGA.Une interface utilisateur graphique (GUI) fournit une communication entre le périphérique cible et le PC. Le kit MAX22199EVKIT est conçu pour prendre en charge les tests d'immunité transitoire pour les ESD, les EFT et les surtensions conformément et respectivement aux normes CEI 61000-4-2, CEI 61000-61000-4-4 et CEI 61000-4-5.
Caractéristiques
- Évaluation facile du MAX22199
- Le côté logique du kit d'évaluation est alimenté par USB
- Configuré pour la norme CEI 61131-2 types 1, 3
- Isolation galvanique à l'aide du MAX14483
- Prend en charge les tests d'immunité transitoire aux normes CEI 61000-4-2, CEI 61000-4-4 et CEI 61000-4-5
- Conception robuste à tolérance aux surtensions de ±2 kV ligne à terre et ligne à ligne, ESD de contact de ±8 kV et ESD d'espacement d'air de ±15 kV aux entrées sur le terrain
- Logiciel compatible Windows® 10
- Totalement assemblé et testé
- Disposition de la carte PCB fiable
- Conforme à la directive RoHS
Contenu du kit
- MAX22199EVKIT#, y compris le MAX22199ATJ+
- Câble micro-USB
Équipement nécessaire
- Kit d'évaluation MAX22199
- Alimentation en tension 24 VCC (ou adaptateur CA-CC 24 V avec connecteur cylindrique)
- Câble micro-USB
- PC Windows 10, Windows 8.1, Windows 7, Window XP avec port USB libre
Schéma de principe du système
Publié le: 2021-11-09
| Mis à jour le: 2023-04-17
