Analog Devices / Maxim Integrated Entrée numérique industrielle octale MAX22199
L'entrée numérique industrielle octale MAX22199 d'Analog Devices convertit huit entrées industrielles à dissipation de courant de 24 V en une sortie compatible SPI sérialisée qui s'interface avec une logique de 3 V à 5,5 V. Le dispositif d'entrée numérique industriel conforme CEI 61131-2 fonctionne comme huit entrées numériques de type 1/type 3 ou quatre entrées numériques de type 2. L'entrée numérique industrielle octale MAX22199 dispose de fonctions de diagnostic, notamment la coupure thermique, l'alarme de sous-tension 24 V, l'alarme de tension manquante 24 V et la détection d'erreur de communication SPI et CRC. Tous les défauts offrent la configuration pour générer une interruption à l'aide de la broche FAULT.Le MAX22199 d'Analog Devices dispose d'une interface SPI à 4 broches et utilise l'entrée LATCH (verrouillage) pour synchroniser l'échantillonnage des données d'entrée sur plusieurs dispositifs.L'interface SPI fonctionne à des niveaux logiques de 3,3 V ou 5 V contrôlés par la broche VL et est disponible en boîtier TQFN de 5 mm x 5 mm.
Caractéristiques
- Intégration élevée réduisant le nombre de composants BOM et d'espace sur la carte
- Huit canaux d'entrée avec le sérialiseur
- Fonctionne directement à partir d'une alimentation de terrain (7 V à 65 V)
- Compatible avec la logique 3,3 V ou 5 V
- Boîtier TQFN 5 mm x 5 mm
- Réduction de la puissance et de la dissipation de chaleur
- Courant d’alimentation de 0,6 mA (standard)
- Limiteurs de courant d'entrée précis à ±11 %
- Pilotes LED côté terrain sans énergie
- Faible dissipation de puissance avec tension d'entrée négative
- Tolérance aux défaillances
- Protection d'entrée jusqu'à ±40 V
- Moniteurs de tension d'alimentation de terrain intégrés
- Détection d'erreur SPI CRC 5 bits
- La possibilité de configuration permet une large gamme d’applications.
- Courant d'entrée configurable de 0,5 mA à 3,4 mA
- Filtrage des débits d'entrée sélectionnable
- Les sources de courant peuvent être désactivées
- Prend en charge l'interface SPI en guirlande et la SPI directe
- Structure solide
- ESD par contact de ±8 kV et ESD par lame d'air de ±15 kV utilisant
- Résistance de 1 kΩ minimum
- Tolérance aux surtensions ±2 kV utilisant une résistance minimum de 1 kΩ
- Températures de fonctionnement ambiante de -40 °C à +125 °C
- Des diagnostics avancés peuvent être fournis par MAX22190
- Compatible broche à broche
- Compatible avec les registres
Applications
- Contrôleurs logiques programmables (PLC)
- Système de commande distribué
- Commande de moteurs
- Immotique
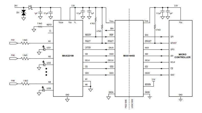
Schéma fonctionnel
Publié le: 2021-11-09
| Mis à jour le: 2023-04-17
