Analog Devices Inc. Kit d'évaluation MAX20430EVKIT
Le kit d’évaluation MAX20430EVKIT d’Analog Devices Inc. fournit un circuit d’application entièrement assemblé et testé pour les CI de gestion d’alimentation (PMIC) à quatre sorties MAX20430. Le kit d’évaluation peut tester toutes les sorties à pleine charge sur une plage d’entrée de fonctionnement normale de 3,5 V à 36,0 V. Le PMIC MAX20430 dispose de deux modes de fonctionnement watchdog (question/réponse et mode simple fenêtre) qui peuvent également être désactivés pour une évaluation simplifiée.Le kit d’évaluation MAX20430EVKIT est conçu pour utiliser une interface I2C, telle que la carte MAX32625PICO, et un logiciel PC qui peut lire/écrire sur le composant, comme SimpleI2C. Le CI dispose d’une fonction de vérification des erreurs de paquets (PEC) qui est activée par défaut. Cette option peut être désactivée via le registre CONFIG1 0x01, bit 0 (PECE). Pour écrire dans un registre lorsque le PEC est activé, la transaction I2C doit être suivie d’un octet PEC. Le logiciel SimpleI2C simplifie ce processus en fournissant un paramètre d’activation PEC.
Caractéristiques
- Le CI intégré minimise l’espace et la disposition de la carte
- Plage de tension d’entrée de 3,5 V à 36,0 V
- Paramètres programmables par l’utilisateur via I2C
- Watchdog de question/réponse ou fenêtré simple
- Commutation à fréquence fixe de 1 MHz avec option de spectre étalé
- Surveillance de l’état via la broche RESET et les registres d’état I2C
- Totalement assemblée et testée
- Disposition de circuit imprimé éprouvée avec des composants de qualité automobile
Applications
- Systèmes avancés d’assistance au conducteur (ADAS)
- Applications ASIL
Équipement nécessaire
- Kit d’évaluation MAX20430
- Logiciel de lecture/écriture I2C tel que SimpleI2C
- Interface I2C telle que la carte MAX32625PICO
- Alimentation CC capable de sortie de 0 V à 36 V
- Multimètres numériques
- Charge électronique
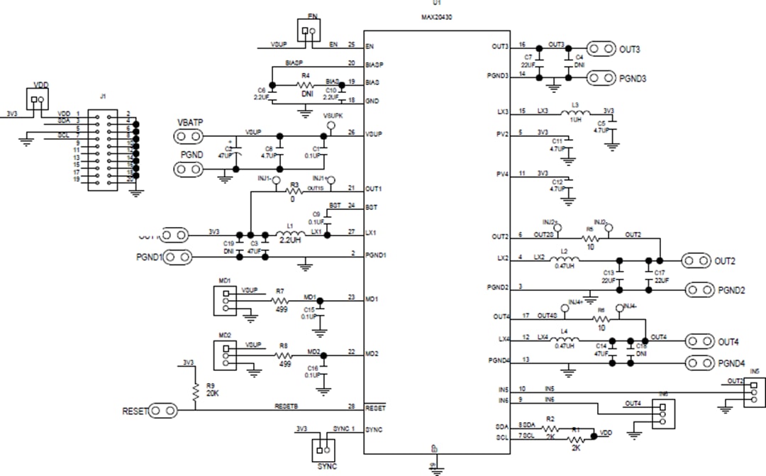
Schéma de principe
Publié le: 2020-05-12
| Mis à jour le: 2024-05-15
