Analog Devices Inc. Kit d'évaluation MAX20087
Le Kit d’évaluation MAX20087 d’Analog Devices Inc. démontre toutes les capacités des CI de protection d’alimentation de caméra MAX2008x. Ce kit d’évaluation fonctionne comme autonome ou avec un contrôleur via une interface I2C pour une commande et pour des diagnostics avancés. Le kit MAX20087 est équipé du CI MAX20087 doté de quatre canaux de sortie et d’une suite complète de diagnostics actifs pour la compatibilité avec les applications de classe ASL. Ce kit est compatible avec toutes les variantes évaluées par remplacement du CI existant par celui souhaité. Le kit d’évaluation MAX20087 permet un fonctionnement et une évaluation simultanés et indépendants des canaux protégés d’alimentation de sortie. Ce kit d’évaluation dispose d’interfaces intégrées pour activer la pièce sans lecture de contrôleur I2C externe.Caractéristiques
- Résistance de canal entrée-sortie 400 mΩ (standard)
- L’arrêt Automatique et la réessai sur les conditions UV et OC de sortie réduisent la dissipation de puissance de CI
- Les canaux s'éteignent en continu lors de surtension, pour protéger le reste du système
- Capable d’un fonctionnement autonome de base ou d’un contrôle et de diagnostics avancés via une interface I2C
- Configuration de la carte PCB éprouvée
- Totalement assemblée et testée
Applications
- Alimentation par câble coaxial pour radar
- Modules pour caméras
Équipement nécessaire
- Alimentation électrique 3,3 V
- Alimentation 12 V
- 0,5 A et 25 Ω charge électronique résistive
- Multimètre numérique (DMM)
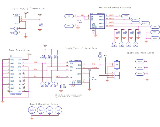
Schéma de principe
Publié le: 2020-03-26
| Mis à jour le: 2024-05-07
