Analog Devices Inc. Pilotes de solénoïdes MAX22217
Les pilotes de solénoïde MAX22217 d'Analog Devices sont conçus pour piloter des charges inductives telles que des solénoïdes marche-arrêt, des moteurs CC, des vannes proportionnelles, des vannes bi-stables et des relais. Ces pilotes sont intégrés avec quatre demi-ponts 36 V programmables. Les pilotes de solénoïde MAX22217 fonctionnent sur une plage de température ambiante de -40 °C à +125 °C. Ces pilotes intègrent des fonctions visant à optimiser le contrôle d’entraînement de moteur CC et de solénoïde. Le MAX22217 dispose de circuits de protection, notamment une Protection contre les surintensités (OCP), une Protection contre les surchauffes (OTP) et un verrouillage UnderBee (UVLO). Ces pilotes sont proposés en boîtiers TQFN32 5 mm x 5 mm. Les pilotes MAX22217 sont idéaux pour les solénoïdes Marche-Arrêt et les relais, les moteurs CC , les vannes proportionnelles, les solénoïdes de verrouillage bi-stables, l’interface de sortie numérique et les freins moteur électromécaniques.Caractéristiques
- Quatre demi-ponts 36 V contrôlés en série :
- Capacité de courant à pleine échelle de 0,55 A CC (à TA = 25 °C) et 1 A
- Faible RON pour un haut rendement
- Haute flexibilité :
- Réglage indépendant du canal
- Configuration de charge liée au pont/côté haut/côté bas/mode parallèle pris en charge
- Méthodes de contrôle avancées :
- Régulation de commande de tension/courant
- Séquenceur à deux niveaux pour économie d’énergie
- Pilote de moteur CC avec limiteur de courant
- fonction de tramage
- Commande de montée/descente
- Contrôle de tension de démagnétisation
- Détection de courant intégrée
- Fonctions de diagnostic :
- Mesure du temps de réaction et de trajet
- Détection des mouvements du plongeur
- Détection de charge ouverte
- mesure d’Inductance
- Moniteur Numérique de détection de courant
- Ensemble complet de protections :
- protection contre les surintensités
- protections thermiques
- Verrouillage en sous-tension
Applications
- Relais et vannes Marche-Arrêt solénoïdes
- Moteurs CC
- Vannes proportionnelles
- Solénoïdes de verrouillage Bi-stable
- pilote de Commutation avec mesure du courant en temps réel
- Interface de sortie numérique
- Frein moteur électromécanique
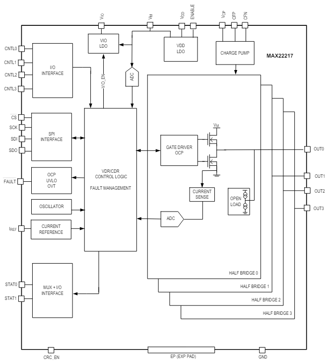
Schéma fonctionnel
Publié le: 2024-07-10
| Mis à jour le: 2024-07-24
