Analog Devices Inc. Kit d'évaluation MAX22196EVKIT
Le kit d’évaluation (kit EV) MAX22196EVKIT d’Analog Devices Inc. fournit du matériel et des logiciels pour évaluer les entrées numériques source/dissipateur industriel octal MAX22196. Ce kit reçoit des commandes d'un PC via le port USB et crée des transactions SPI pour les communications entre le logiciel et le MAX22196 sur le kit. Le kit d’évaluation MAX22196EVKIT comprend un connecteur compatible Pmod™ pour la communication SPI avec un dispositif hôte externe, y compris une unité de microcontrôleur (MCU) ou un réseau de portes programmables (FPGA). Ce kit d'évaluation est équipé d'une interface utilisateur graphique (GUI) qui communique entre le PC et le dispositif cible.Le kit d’évaluation MAX22196 fonctionne en mode USB, en mode Pmod et en mode multi-dispositifs. Ce kit EV prend en charge les tests d'immunité transitoire pour les DES, EFT et surtension conformément aux normes CEI 61000-4-2, CEI 61000-4-4 et CEI 61000-4-5. Le kit d’évaluation MAX22196 fournit une conception pour une solution d’entrée numérique à huit canaux, isolée galvaniquement, configurable de type 1/3 ou de type 2 ou source à l’aide du MAX22196. Ce kit d’évaluation comprend le MAX22196EVKIT#, le MAX22196AJT+, un câble micro-USB et un adaptateur de puissance 24 V.
Caractéristiques
- Évalue les entrées numériques MAX22196
- Le côté logique du kit d'évaluation est alimenté par USB
- Conception robuste aux entrées de champ :
- Tolérance aux surtensions ligne à terre et ligne à ligne de ±1 kV
- Décharge électrostatique (DES) par contact 8 kV
- DES entrefer ±15 kV
- Configurable par logiciel pour CEI 61131-2 type 1/3, type 2, TTL ou les entrées HTL
- Logiciel compatible avec Windows® 10
- Totalement assemblée et testée
- Configuration de la carte PCB éprouvée
- Prise en charge des tests d'immunité aux transitoires conformément aux normes CEI 61000-4-2, CEI 61000-4-4 et CEI 61000-4-5
- Conforme à la directive RoHS
Contenu du kit
- MAX22196EVKIT# comprenant le MAX22196AJT+
- Câble micro-USB
- Adaptateur de puissance 24 V
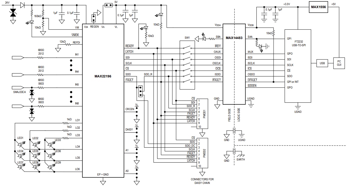
Schéma fonctionnel du kit EV
Publié le: 2023-04-27
| Mis à jour le: 2023-05-03
