Analog Devices Inc. Contrôleurs Boost synchrones LTC7893
Les contrôleursBoost synchrones LTC7893 d'Analog Devices Inc. sont des contrôleurs de commutation CC-CC haute puissance, progressifs. Ces contrôleurs pilotent tous les étages de puissance synchrones à transistors à effet de champ (FET) en nitrure de gallium (GaN) à canal N, pour des tensions de sortie allant jusqu’à 100 V. Les contrôleurs LTC7893 ne nécessitent pas de diodes de protection ni de composants externes supplémentaires. La tension de commande de grille de ces contrôleurspeut être ajustée avec précision de 4 V à 5,5 V pour en optimiser les performances. Les contrôleurs LTC7893 peuvent fonctionner avec une alimentation d'entrée aussi basse que 1 V après le démarrage lorsqu'ils sont polarisés à partir de la sortie du régulateur boost.Les contrôleurs LTC7893 offrent un IQ de fonctionnement faible de 15 μA, une plage de fréquence programmable de 100 kHz à 3 MHz, une modulation de fréquence à spectre étalé et une plage de fréquence synchronisable de 100 kHz à 3 MHz. Ces contrôleurs sont disponibles en boîtier QFN 28 broches (4 mm x 5 mm), à flancs mouillables. Les contrôleurs LTC7893 sont utilisés dans les systèmes d'alimentation pour les télécommunications, les systèmes médicaux, l'avionique militaire et les applications automobiles.
Caractéristiques
- Technologie d'entraînement GaN entièrement optimisée pour les FET GaN
- Tension de sortie jusqu'à 100 V
- Faible IQ de fonctionnement de 15 μA
- Gamme de fréquences programmable de 100 kHz à 3 MHz
- Gamme de fréquences synchronisable de 100 kHz à 3 MHz
- Large plage de VIN de 4 V à 60 V et fonctionne jusqu'à 1 V après le démarrage
- Aucune diode de roue libre, de limitation ou de bootstrap requise
- Temps morts réglables par résistance
- Les commutateurs d'amorçage intelligents internes empêchent la surcharge de l'alimentation du pilote côté haut
- Commandes de grilles à sorties séparées pour régler la force de pilotage à l’allumage et à l’extinction
- Tension du pilote réglable avec précision et verrouillage sous tension (UVLO)
- Modulation de fréquence à spectre étendu
- 28 broches (4 mm x 5 mm), mouillable sur les flancs et boîtier QFN
- Homologué AEC-Q100 pour les applications automobiles
Applications
- Systèmes d'alimentation de télécommunications
- Systèmes d'alimentation automobile et industriels
- Militaire/avionique
- Systèmes médicaux
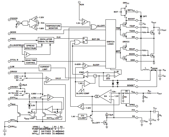
Schéma fonctionnel
Schéma d'application standard
Publié le: 2025-01-28
| Mis à jour le: 2025-02-21
